Need support for SAI_RX2 issue

cancel
Showing results for 
Show  only  | Search instead for 
Did you mean: 

Need support for SAI_RX2 issue

22,515 Views
LydieCDO
Contributor I

Hi NXP support,

We are working with IMXRT1176 and we are facing some issues.
Here is the context:
 
Using SAI1 on IMX1176, we are currently trying to use SAI1_RX2 to receive data from a tuner (SI47952) but we only get 0.
IMX is the master, and the tuner is slave.

 
GPIO DISP_B2_01 is configured as SAI1_RX2
If we monitor the connection, we can see that the signal is squeeze to 0 and almost 0V (see attached picture)

We have done the test of connecting the tuner to SAI1_RX0 (instead of SAI1_RX2) and it we did get the correct signal/data.
That means the issue is on the IMX side, we think this can be a pin config issue as the DISP_B2_01 is SAI1_RX2 and SAI1_TX2 but we don't know how to force RX mode.

Here some SAI1 registry dump during transfers
tcr1: 0x10 tcr2: 0x7000007 tcr3: 0x10000 tcr4: 0x10010f3b tcr5: 0xf0f0f00
rcr1: 0x10 rcr2: 0x47000007 rcr3: 0x40000 rcr4: 0x10010f1b rcr5: 0xf0f0f00
 
 
Do you have any idea to unlock this situation ?
 
Many thanks for your support.
Labels (1)
0 Kudos
Reply
28 Replies

15,987 Views
kerryzhou
NXP TechSupport
NXP TechSupport

Thanks so much for @Aubineau_FAE and @eric_delanghe 's effort!

Setting TCR4[5]=0 (CHMOD) will affect SAI1.TX_DATA[0] function in some applications, for example as follow:

SAI1 data line can be configured to Stereo mode, MonoRight mode, MonoLeft mode.

If SAI1.TX_DATA[0] is configured to MonoLeft mode(right channel masked), and SAI1.RX_DATA[1] can receive PCM data(TCR4[5] =0), the right channel data state is determined by the last valid bit of left channel data.

So, I suggest you don't use the TX as MonoLeft mode, just to avoid the limit with CHMOD=0.

If you have any more detail issues, welcome to create the new question post. If this quesiton is solved, please help to mark the correct answer, just to close this case.

 

Wish it helps you!

Best Regards,

Kerry

0 Kudos
Reply

16,120 Views
kerryzhou
NXP TechSupport
NXP TechSupport

Hi @LydieCDO ,

  Please also try to modify your pinmux like this:

IOMUXC_SetPinMux(
      IOMUXC_GPIO_DISP_B2_00_SAI1_TX_DATA03,  /* GPIO_DISP_B2_00 is configured as SAI1_TX_DATA03 */
      1U);                                    /* Software Input On Field: Input Path is determined by functionality */
  IOMUXC_SetPinMux(
      IOMUXC_GPIO_DISP_B2_01_SAI1_TX_DATA02,  /* GPIO_DISP_B2_01 is configured as SAI1_TX_DATA02 */
      1U);                                    /* Software Input On Field: Input Path is determined by functionality */
  IOMUXC_SetPinMux(
      IOMUXC_GPIO_DISP_B2_02_SAI1_TX_DATA01,  /* GPIO_DISP_B2_02 is configured as SAI1_TX_DATA01 */
      1U);                                    /* Software Input On Field: Input Path is determined by functionality */
  IOMUXC_SetPinMux(
      IOMUXC_GPIO_DISP_B2_03_SAI1_MCLK,       /* GPIO_DISP_B2_03 is configured as SAI1_MCLK */
      1U);                                    /* Software Input On Field: Input Path is determined by functionality */

  IOMUXC_SetPinMux(
      IOMUXC_GPIO_DISP_B2_06_SAI1_RX_DATA00,  /* GPIO_DISP_B2_06 is configured as SAI1_RX_DATA00 */
      1U);                                    /* Software Input On Field: Input Path is determined by functionality */
  IOMUXC_SetPinMux(
      IOMUXC_GPIO_DISP_B2_07_SAI1_TX_DATA00,  /* GPIO_DISP_B2_07 is configured as SAI1_TX_DATA00 */
      1U);                                    /* Software Input On Field: Input Path is determined by functionality */
  IOMUXC_SetPinMux(
      IOMUXC_GPIO_DISP_B2_08_SAI1_TX_BCLK,    /* GPIO_DISP_B2_08 is configured as SAI1_TX_BCLK */
      1U);                                    /* Software Input On Field: Input Path is determined by functionality */
  IOMUXC_SetPinMux(
      IOMUXC_GPIO_DISP_B2_09_SAI1_TX_SYNC,    /* GPIO_DISP_B2_09 is configured as SAI1_TX_SYNC */
      1U);                                    /* Software Input On Field: Input Path is determined by functionality */

 

Our SDK SAI code also set the software input on field as 1, you can try it on your side, whether your SAI receive still have issues or not.

Any updated information, just kindly let us know.

Best Regards,

Kerry

0 Kudos
Reply

16,049 Views
eric_delanghe
Contributor II

Hello,

I just tried with a pinmux configured like this and nothing changed.

Do you know if there is anything to do on the SAI registers ?

Best regards,
Eric

0 Kudos
Reply

16,044 Views
kerryzhou
NXP TechSupport
NXP TechSupport

Hi @eric_delanghe ,

    Thanks for your effort.

  GPIO_DISP_B2_01 is also the BT_CFG[7], and in the MIMXRT1170-EVK board, it connect to the ground through the 47K resistor:

kerryzhou_0-1646969985444.png

If no external input, it will be 0 in default.

Can you please test it like this:

   I. disconnect your external wave to connect the board,

  2  reset or POR,

   3. after it boot, then connect your external SAI1_RXD[2], and check the wave, whether your external SAI can input the data to the RXD[2]?

  If you still have issues, can you reproduce the issues on the NXP MIMXRT1170-EVK board, then I can help you to test it on my side.

Best Regards,

Kerry

 

0 Kudos
Reply

16,052 Views
eric_delanghe
Contributor II

Hello,

I successfully reproduced on EVK

I removed the jumper on J61 and connected a wire from the MCU side of R775 (SAI1_RXD[2]) to J61 on codec side (SAI1_RXD[0])
It mean that ADCDAT of WM8960 is connected to GPIO_DISP_B2_01.

I use the demo code from SDK "boards/evkmimxrt1170/demo_apps/sai/cm7" and do the following change

 

diff --git a/boards/evkmimxrt1170/demo_apps/sai/cm7/board.h b/boards/evkmimxrt1170/demo_apps/sai/cm7/board.h
index 790dbf5e..d8816bdf 100644
--- a/boards/evkmimxrt1170/demo_apps/sai/cm7/board.h
+++ b/boards/evkmimxrt1170/demo_apps/sai/cm7/board.h
@@ -122,7 +122,7 @@
 #define BOARD_ARDUINO_I2C_IRQ   (LPI2C1_IRQn)
 #define BOARD_ARDUINO_I2C_INDEX (1)
 
-#define BOARD_HAS_SDCARD (1U)
+#define BOARD_HAS_SDCARD (0U)
 
 /* @Brief Board accelerator sensor configuration */
 #define BOARD_ACCEL_I2C_BASEADDR LPI2C5
diff --git a/boards/evkmimxrt1170/demo_apps/sai/cm7/pin_mux.c b/boards/evkmimxrt1170/demo_apps/sai/cm7/pin_mux.c
index 32343576..d4941b89 100644
--- a/boards/evkmimxrt1170/demo_apps/sai/cm7/pin_mux.c
+++ b/boards/evkmimxrt1170/demo_apps/sai/cm7/pin_mux.c
@@ -79,6 +79,9 @@ void BOARD_InitPins(void) {
   IOMUXC_SetPinMux(
       IOMUXC_GPIO_AD_20_SAI1_RX_DATA00,       /* GPIO_AD_20 is configured as SAI1_RX_DATA00 */
       1U);                                    /* Software Input On Field: Force input path of pad GPIO_AD_20 */
+  IOMUXC_SetPinMux(
+      IOMUXC_GPIO_DISP_B2_01_SAI1_TX_DATA02,  /* GPIO_DISP_B2_01 is configured as SAI1_TX_DATA02 */
+      1U);                                    /* Software Input On Field: Input Path is determined by functionality */
   IOMUXC_SetPinMux(
       IOMUXC_GPIO_AD_21_SAI1_TX_DATA00,       /* GPIO_AD_21 is configured as SAI1_TX_DATA00 */
       1U);                                    /* Software Input On Field: Force input path of pad GPIO_AD_21 */
diff --git a/boards/evkmimxrt1170/demo_apps/sai/cm7/sai.c b/boards/evkmimxrt1170/demo_apps/sai/cm7/sai.c
index 1a62ffb1..470f3e7c 100644
--- a/boards/evkmimxrt1170/demo_apps/sai/cm7/sai.c
+++ b/boards/evkmimxrt1170/demo_apps/sai/cm7/sai.c
@@ -331,11 +331,13 @@ int main(void)
     SAI_TransferRxCreateHandleEDMA(DEMO_SAI, &rxHandle, rxCallback, NULL, &dmaRxHandle);
 
     /* I2S mode configurations */
-    SAI_GetClassicI2SConfig(&saiConfig, DEMO_AUDIO_BIT_WIDTH, kSAI_Stereo, 1U << DEMO_SAI_CHANNEL);
+    SAI_GetClassicI2SConfig(&saiConfig, DEMO_AUDIO_BIT_WIDTH, kSAI_Stereo, 0x7);
     saiConfig.syncMode    = DEMO_SAI_TX_SYNC_MODE;
     saiConfig.masterSlave = DEMO_SAI_MASTER_SLAVE;
+    saiConfig.channelMask = kSAI_Channel0Mask;
     SAI_TransferTxSetConfigEDMA(DEMO_SAI, &txHandle, &saiConfig);
     saiConfig.syncMode = DEMO_SAI_RX_SYNC_MODE;
+    saiConfig.channelMask = kSAI_Channel2Mask;
     SAI_TransferRxSetConfigEDMA(DEMO_SAI, &rxHandle, &saiConfig);
 
     /* set bit clock divider */

 

 
If I look with the oscilloscope, I get the same result, data is 0.3V when high

0 Kudos
Reply

16,048 Views
Aubineau_FAE
NXP Employee
NXP Employee

Hi,

I confirm your code does not work on the EVK ("1. Record and playback at same time" used).

Instead please do the following init sequence:

 /* I2S mode configurations */
//SAI_GetClassicI2SConfig(&saiConfig, DEMO_AUDIO_BIT_WIDTH, kSAI_Stereo, 7);
SAI_GetClassicI2SConfig(&saiConfig, DEMO_AUDIO_BIT_WIDTH, kSAI_Stereo, kSAI_Channel0Mask);
saiConfig.syncMode = DEMO_SAI_TX_SYNC_MODE;
saiConfig.masterSlave = DEMO_SAI_MASTER_SLAVE;
saiConfig.channelMask = kSAI_Channel0Mask;
SAI_TransferTxSetConfigEDMA(DEMO_SAI, &txHandle, &saiConfig);

SAI_GetClassicI2SConfig(&saiConfig, DEMO_AUDIO_BIT_WIDTH, kSAI_Stereo, kSAI_Channel2Mask|kSAI_Channel1Mask);
saiConfig.masterSlave = DEMO_SAI_MASTER_SLAVE;
saiConfig.syncMode = DEMO_SAI_RX_SYNC_MODE;
saiConfig.channelMask = kSAI_Channel2Mask;
SAI_TransferRxSetConfigEDMA(DEMO_SAI, &rxHandle, &saiConfig);

 

GPIO_DISP_B2_01 (R775) is toggling and I can hear noise in my loudspeaker:

  • Channel 0 -> SAI1_TX[0] (J9 pin 9)
  • Channel 1 -> SAI1_RX[2] (R775)

vincent_aubinea_0-1647012146122.png

Capture_SAI1.JPG

/Vincent

0 Kudos
Reply

16,042 Views
eric_delanghe
Contributor II

Hello Vincent

I've took your init sequence but still not able to see or heard anything.

Can you send me your binary, so I can try it here ?

Best regards,
Eric

0 Kudos
Reply

16,039 Views
Aubineau_FAE
NXP Employee
NXP Employee

Hi,

Please find the code based on sai example.

Compiled on IAR (the elf file is in the iar folder sai_cm7.out)

BR

Vincent

0 Kudos
Reply

16,028 Views
Aubineau_FAE
NXP Employee
NXP Employee

Hi,

I did measure with an oscilloscope instead of a logic analyzer.

Actually the voltage level is #1.6V / #1.3V depending of the DSE.

I have the same behavior if I configure the pin as GPIO11_IO2 in output mode (so not 3V3):

dso_03_13_16_10_49.bmp

We'll get back to you asap.

Vincent

0 Kudos
Reply

15,994 Views
Aubineau_FAE
NXP Employee
NXP Employee

Hi,

InTCR4, CHMOD bitfield to 0:

vincent_aubinea_0-1647355701677.png

On my side I got full range then (3V3).

Vincent

15,990 Views
eric_delanghe
Contributor II

Hello Vincent,

Yes it work ! I finally can heard FM coming from the Tuner


Thanks a lot for your investigation !

Best regards,
Delanghe Eric

16,040 Views
eric_delanghe
Contributor II

Hi,

What do you mean by "external wave" ?
Are you talking about the data lane (DOUT0) from the tuner ?

best regards,
Eric

0 Kudos
Reply

16,263 Views
mike_susen
NXP Employee
NXP Employee

Hi @LydieCDO 

 

Can you share the schematic and code with configuration?

 

Mike

0 Kudos
Reply

16,256 Views
eric_delanghe
Contributor II
Hello everyone.
Thanks for taking this issue

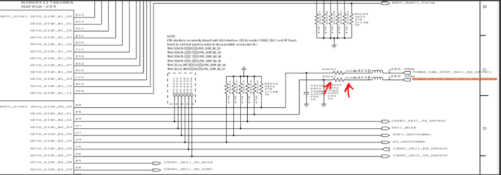
Here the schematic:
Tuner side:

eric_delanghe_0-1646302181791.png

 

 
IMX side:
eric_delanghe_1-1646302181791.png

 

 
 
 
Here the pin_mux from MCUExpresso config tools
 

 

  IOMUXC_SetPinMux(
      IOMUXC_GPIO_DISP_B2_00_SAI1_TX_DATA03,  /* GPIO_DISP_B2_00 is configured as SAI1_TX_DATA03 */
      0U);                                    /* Software Input On Field: Input Path is determined by functionality */
  IOMUXC_SetPinMux(
      IOMUXC_GPIO_DISP_B2_01_SAI1_TX_DATA02,  /* GPIO_DISP_B2_01 is configured as SAI1_TX_DATA02 */
      0U);                                    /* Software Input On Field: Input Path is determined by functionality */
  IOMUXC_SetPinMux(
      IOMUXC_GPIO_DISP_B2_02_SAI1_TX_DATA01,  /* GPIO_DISP_B2_02 is configured as SAI1_TX_DATA01 */
      0U);                                    /* Software Input On Field: Input Path is determined by functionality */
  IOMUXC_SetPinMux(
      IOMUXC_GPIO_DISP_B2_03_SAI1_MCLK,       /* GPIO_DISP_B2_03 is configured as SAI1_MCLK */
      0U);                                    /* Software Input On Field: Input Path is determined by functionality */

  IOMUXC_SetPinMux(
      IOMUXC_GPIO_DISP_B2_06_SAI1_RX_DATA00,  /* GPIO_DISP_B2_06 is configured as SAI1_RX_DATA00 */
      0U);                                    /* Software Input On Field: Input Path is determined by functionality */
  IOMUXC_SetPinMux(
      IOMUXC_GPIO_DISP_B2_07_SAI1_TX_DATA00,  /* GPIO_DISP_B2_07 is configured as SAI1_TX_DATA00 */
      0U);                                    /* Software Input On Field: Input Path is determined by functionality */
  IOMUXC_SetPinMux(
      IOMUXC_GPIO_DISP_B2_08_SAI1_TX_BCLK,    /* GPIO_DISP_B2_08 is configured as SAI1_TX_BCLK */
      0U);                                    /* Software Input On Field: Input Path is determined by functionality */
  IOMUXC_SetPinMux(
      IOMUXC_GPIO_DISP_B2_09_SAI1_TX_SYNC,    /* GPIO_DISP_B2_09 is configured as SAI1_TX_SYNC */
      0U);                                    /* Software Input On Field: Input Path is determined by functionality */

 

 

 
And here the tx/rx config

 

     SAI_GetClassicI2SConfig(&priv->I2SConfig, bit_width, is_stereo, priv->sai_chan);

    priv->I2SConfig.masterSlave = kSAI_Master;
    /* Note: See 58.3.2.1 Synchronous mode */
    priv->I2SConfig.channelMask = kSAI_Channel0Mask;
    priv->I2SConfig.syncMode = kSAI_ModeAsync;
    SAI_TransferTxSetConfigEDMA(priv->sai, &(priv->txHandle), &priv->I2SConfig);
    priv->oneTxFrame = priv->txHandle.count * priv->txHandle.bytesPerFrame;

    priv->I2SConfig.channelMask = kSAI_Channel2Mask;
    priv->I2SConfig.syncMode = kSAI_ModeSync;
    SAI_TransferRxSetConfigEDMA(priv->sai, &(priv->rxHandle), &priv->I2SConfig);
    priv->oneRxFrame = priv->rxHandle.count * priv->rxHandle.bytesPerFrame;

    /* set bit clock divider */
    /* Divide Root_SAIX clock (mclk) to bclk */
    SAI_TxSetBitClockRate(priv->sai, clock_rate, sampling_rate, bit_width, nb_channel);
    SAI_RxSetBitClockRate(priv->sai, clock_rate, sampling_rate, bit_width, nb_channel);

 

 
Is it what you needed ?

Thanks again
0 Kudos
Reply

16,246 Views
mike_susen
NXP Employee
NXP Employee

Hi @eric_delanghe 

 

I've checked configuration with Reference Manual and Pin tool and everything looks correct. Output from tuner has 3-state, Hi-Z, is there any internal pull-up inside tuner? it looks that there is greater pull-down what I see from oscilloscope image.

 

Mike

0 Kudos
Reply

16,243 Views
eric_delanghe
Contributor II

Hello @mike_susen 

I'll ask tuner team for this but I'm not sure if this is related because if we connect the DOUT0(tuner) on SAI1_RX0(imx) the transfer work correctly.

Best regards,
Eric

0 Kudos
Reply

16,239 Views
mike_susen
NXP Employee
NXP Employee

Hi @eric_delanghe 

 

are you sure that you not accessing the GPIO registers on this pin? It is not possible to have hard pull-down in this case.

Edit: DISP_B2_01 has internal PD turned on instedad of DISP_B2_06 which has HighZ mode. try to tune SW_PAD_CTL_PAD_GPIO_DISP_B2_01 SW PAD Control
Register (SW_PAD_CTL_PAD_GPIO_DISP_B2_01) to disable PD or switch to HighZ.

Mike

0 Kudos
Reply

16,186 Views
eric_delanghe
Contributor II

Hello @mike_susen ,

Thanks for your support 
Also sorry for this late answer, I was busy on something else.

I've done the test and nothing changed.

I use NXP Config tool to generate the following line

  IOMUXC_SetPinConfig(
      IOMUXC_GPIO_DISP_B2_01_SAI1_TX_DATA02,  /* GPIO_DISP_B2_01 PAD functional properties : */
      0x02U);                                 /* Slew Rate Field: Slow Slew Rate
                                                 Drive Strength Field: high drive strength
                                                 Pull / Keep Select Field: Pull Disable, Highz
                                                 Pull Up / Down Config. Field: Weak pull down
                                                 Open Drain Field: Disabled
                                                 Domain write protection: Both cores are allowed
                                                 Domain write protection lock: Neither of DWP bits is locked */


I tried with the following values

0x0default
0x2high drive strength
0x4HIGHZ
0x6

HIGHZ, high drive strength

 

But it never worked.

Any other idea ?
Best regards,
Eric

0 Kudos
Reply

16,169 Views
Aubineau_FAE
NXP Employee
NXP Employee

Hi, 

Can you confirm you see the signal disappearing if you do the measures on the 2 sides of the resistor, see below:

vincent_aubinea_0-1646729054340.png

I have modified the SDK code and configured the pin as below:

 IOMUXC_SetPinMux(
IOMUXC_GPIO_DISP_B2_01_SAI1_TX_DATA02, /* GPIO_DISP_B2_01 is configured as SAI1_TX_DATA02 */
0U); /* Software Input On Field: Input Path is determined by functionality */
IOMUXC_SetPinMux(
IOMUXC_GPIO_DISP_B2_00_SAI1_TX_DATA03, /* GPIO_DISP_B2_00 is configured as SAI1_TX_DATA03 */
0U); /* Software Input On Field: Input Path is determined by functionality */

and measured the voltage on the switch:

vincent_aubinea_1-1646729275935.png

And I see (logic analyser) no contention if I toggle the switch.

Did you check the IOMUX register is configured as expected with a JTAG probe?

Vincent

0 Kudos
Reply

16,156 Views
eric_delanghe
Contributor II

Hello,

I just tried and get the same result on both side of R4261
Also I use gdb to check and registers are right.

Best regards,
Eric

0 Kudos
Reply