ADC output distortion in LPC54608J512BD208

取消
显示结果 
显示  仅  | 搜索替代 
您的意思是: 

ADC output distortion in LPC54608J512BD208

15,430 次查看
prasannanaik
Contributor III

Hi,

   I have used LPC54608J512BD208 microcontroller in protection relay. The external input voltage is stepped down,superimposed on a 1.65V DC signal and fed to the ADC input of microcontroller. I am using 6 ADC channels namely ADC0_0, ADC0_4, ADC0_5, ADC0_6, ADC0_7 & ADC0_8. The controller is driven by an external crystal of 16 MHz stepped up through PLL to 100 MHz. The following are the connections to adc pins:

I am getting no fluctuations when passing only DC signal at the ADC.

ADC gives distorted output when AC signal is superimposed on DC signal and applied to ADC.

I have observed the waveforms at ADC input pin without any distortion on a DSO.

I have attached my project, ADC samples and controller schematic for reference. Please help in resolving this issue.

Thanks & best regards,

Prasanna

标签 (1)
0 项奖励
回复
18 回复数

14,982 次查看
jeremyzhou
NXP Employee
NXP Employee

Hi Prasanna Naik,

Thank you for your interest in NXP Semiconductor products and for the opportunity to serve you.
In your ADC_Test_Reslut.xls, it presents the signal which is superimposed on a 1.65V DC signal, these two lines are not only different but also both of them are a bit distorted.
So I'd like to suggest that you increase the sampling frequency and sample point to rebuild the signal. In further, I had done similar testing before, it may give you an insight into this phenomenon.

pastedImage_1.png

Have a great day,
TIC

 

-------------------------------------------------------------------------------
Note:
- If this post answers your question, please click the "Mark Correct" button. Thank you!

 

- We are following threads for 7 weeks after the last post, later replies are ignored
Please open a new thread and refer to the closed one, if you have a related question at a later point in time.
-------------------------------------------------------------------------------

0 项奖励
回复

14,982 次查看
prasannanaik
Contributor III

Hi jeremy,

   i have resolved the ADC distortion issue but i am facing a different issue now. i am applying constant 1.65 V DC at input of ADC but i am getting varying output depending on my clock configuration. I have attached the test results for your reference.

   When i keep my core at 100 MHz then ADC gives very low output(1980 instead of 2048) whereas when i keep the core clock below or equal to 80 MHz ADC gives better results. Please check the attached results. I couldn't find any explaination for this. please help.

Thank and best regards,

Prasanna

0 项奖励
回复

14,982 次查看
jeremyzhou
NXP Employee
NXP Employee

Hi Prasanna Naik,

Thanks for your reply.
Whether you can tell me which clock mode you selected.

pastedImage_1.png

Have a great day,
TIC

 

-------------------------------------------------------------------------------
Note:
- If this post answers your question, please click the "Mark Correct" button. Thank you!

 

- We are following threads for 7 weeks after the last post, later replies are ignored
Please open a new thread and refer to the closed one, if you have a related question at a later point in time.
-------------------------------------------------------------------------------

0 项奖励
回复

14,982 次查看
prasannanaik
Contributor III

Hi Jeremy,

   I have tried both async and sync adc clocks with 100 MHz core clock but still no effect.

   I have attached the test results of the various experiments that i tried with clock in "adc_clock_test_results.xlsx"

Thanks and best regards,

Prasanna

0 项奖励
回复

14,982 次查看
jeremyzhou
NXP Employee
NXP Employee

Hi Prasanna Naik,

Thanks for your reply.
It seems a bit weird actually, so I was wondering if you can share your demo project, then I can replicate the phenomenon on the OM13092 board and it can help me to figure it out.
Looking forward to your reply.

Have a great day,
TIC

 

-------------------------------------------------------------------------------
Note:
- If this post answers your question, please click the "Mark Correct" button. Thank you!

 

- We are following threads for 7 weeks after the last post, later replies are ignored
Please open a new thread and refer to the closed one, if you have a related question at a later point in time.
-------------------------------------------------------------------------------

0 项奖励
回复

14,982 次查看
prasannanaik
Contributor III

Hi jeremy,

   I have already attached the project in this query.

   Please refer the following link.

ADC output distortion in LPC54608J512BD208 

gauravmore

Thanks & best regards,

Prasanna

0 项奖励
回复

14,982 次查看
prasannanaik
Contributor III

Hi jeremyzhou‌,

   Any update on this query?

   We are stuck because of this in our development.

   Please help.

gauravmore

Thanks and best regards,

Prasanna

0 项奖励
回复

14,982 次查看
jeremyzhou
NXP Employee
NXP Employee

Hi Prasanna Naik,

Thanks for your reply.
I've used the ADC channel4 pin to convert a 2.07V DC signal and the testing result is presented below.

Board: OM13092, demo project: lpcxpresso54608_lpc_adc_basic (From the SDK library)

pastedImage_17.jpg

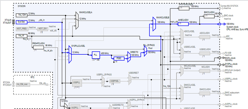
1) async clock 80 MHz:
Clock tree:

pastedImage_1.png
ADC conversion result:

pastedImage_2.png

2) async_clock_100MHz:
Clock tree:

pastedImage_4.png
ADC conversion result:

pastedImage_5.png

3) sync_clock_80MHz
Clock tree:

pastedImage_9.png
ADC conversion result:

pastedImage_10.png

4) sync_clock_100MHz
Clock tree:

pastedImage_4.png
ADC conversion result

pastedImage_12.png

5) sync_clock_50MHz

Clock tree:

pastedImage_14.png

ADC conversion result

pastedImage_16.png

Conclusion: These results are almost the same actually.

Have a great day,
TIC

 

-------------------------------------------------------------------------------
Note:
- If this post answers your question, please click the "Mark Correct" button. Thank you!

 

- We are following threads for 7 weeks after the last post, later replies are ignored
Please open a new thread and refer to the closed one, if you have a related question at a later point in time.
-------------------------------------------------------------------------------

0 项奖励
回复

14,982 次查看
prasannanaik
Contributor III

Hi Jeremy,

   I have tested this on two boards and results are still the same as i explained in earlier query.

   What could be going wrong any idea?

Thanks and best regards,

Prasanna

0 项奖励
回复

14,982 次查看
jeremyzhou
NXP Employee
NXP Employee

Hi Prasanna Naik,

Thanks for your reply.
It seems a bit weird, and I have no idea about the phenomenon now.
In my opinion, maybe you can do these tests on the OM13092 as I did, as I hadn't encountered the phenomenon you explained.

Have a great day,
TIC

 

-------------------------------------------------------------------------------
Note:
- If this post answers your question, please click the "Mark Correct" button. Thank you!

 

- We are following threads for 7 weeks after the last post, later replies are ignored
Please open a new thread and refer to the closed one, if you have a related question at a later point in time.
-------------------------------------------------------------------------------

0 项奖励
回复

14,982 次查看
prasannanaik
Contributor III
Dear jeremyzhou‌,
I have performed some experiments on the OM13092 development board to check the problem observed on LPC546 microcontroller. We have found fluctuations in the development board as well.
Details of connection/board configuration:
   1) Channels used ADC0_4 (J12/2),ADC0_5 (J12/4) & ADC0_6 (J12/6)
   2) Evaluation board: OM13092
   3) Power: Debug port J8 of OM13092
   4) Core clock: 100 MHz (External 12MHz crystal frequency stepped up through PLL)
   5) ADC clock: 1 MHz (Synchronous)
   6) ADC sample time number = 7 
I have attached picture of the set up used in Experiment 1.
   
   
Experiment 1: GND from P3 of OM13092 connected to ADC0_4, ADC0_5 & ADC0_6
ADC channel
                  ADC output
MinMax
ADC0_4010
ADC0_506
ADC0_605
Fluctuations of 10 count with GND input

 

Experiment 2: 1.65V DC generated through a Voltage divider circuit of 10K each fed to channel ADC0_4
                            3.3V(J10/12) of OM13092 and GND (J10/18) is used to dirve the voltage divider network.
ADC Channel
ADC Output
MinMax
ADC0_520412053
Fluctuation of 12 count with a fixed DC input.
I have also attached the code for your reference.
Please help in resolving the issue.
Two issues have been identified so far in LPC546 controller :
1) PE Micro debugger causes fluctuations in ADC output in custom board:
   I have used uart to verify the issue of PE Micro debugger.

Card 1:

 

 

Input Voltage(V)ADC Channel
With PE Micro
Without PE MIcro
MinMaxMinMax
1.65 V (DC)ADC0_02014207520472051
ADC0_42020206420452054
ADC0_52032205820462051
ADC0_62016206020482056
ADC0_72021205620462052
ADC0_82018205120412048

Card 2:

 

 

 

Input Voltage(V)ADC Channel
With PE Micro
Without PE MIcro
MinMaxMinMax
1.65 V (DC)ADC0_02010206620462052
ADC0_42035206120472054
ADC0_52031206220452051
ADC0_62025205920502056
ADC0_72019205620462052
ADC0_82037204920412048

 

2) Fluctuations in ADC output even on LPC546 board as explained earlier.
Kindly help in addressing these issues.
Thanks & best regards,
Prasanna
0 项奖励
回复

14,982 次查看
prasannanaik
Contributor III

Hi @Jeremy,

Any update on the above query?

Thanks & best regards,

Prasanna

0 项奖励
回复

14,982 次查看
prasannanaik
Contributor III

Hi jeremy,

   My development board is not working from past two weeks. It is getting hot when i plug it so i am not able to use that as reference.

I have attached my schematic. Please review it and let me know if anything is wrong.

Thanks & best regards,

Prasanna

0 项奖励
回复

14,982 次查看
jeremyzhou
NXP Employee
NXP Employee

Hi Prasanna Naik,
Thanks for your reply.
After having a review of the schematic, I've not found something wrong with it, and I hope I can dig deeper later.

Have a great day,
TIC

 

-------------------------------------------------------------------------------
Note:
- If this post answers your question, please click the "Mark Correct" button. Thank you!

 

- We are following threads for 7 weeks after the last post, later replies are ignored
Please open a new thread and refer to the closed one, if you have a related question at a later point in time.
-------------------------------------------------------------------------------

0 项奖励
回复

14,982 次查看
prasannanaik
Contributor III

Hi Jeremy,

   Any update on the issue?

Thanks & best regards,

Prasanna

0 项奖励
回复

14,982 次查看
jeremyzhou
NXP Employee
NXP Employee

HiPrasanna Naik,

Until now, I've not encountered a similar phenomenon as you mentioned when running the code on OM13092 for testing.

Have a great day,
TIC

 

-------------------------------------------------------------------------------
Note:
- If this post answers your question, please click the "Mark Correct" button. Thank you!

 

- We are following threads for 7 weeks after the last post, later replies are ignored
Please open a new thread and refer to the closed one, if you have a related question at a later point in time.
-------------------------------------------------------------------------------

0 项奖励
回复

14,982 次查看
prasannanaik
Contributor III

Hi Jeremy,

On bypassing adc calibration, the adc seems to be working fine. Usually we provide adc calibration at power up so that offset will be calibrated but this observation seems strange. 

Thanks and best regards,

Prasanna

0 项奖励
回复

14,982 次查看
prasannanaik
Contributor III

Hi Jeremy,

   Any update on the query?

Thanks & best regards,

Prasanna

0 项奖励
回复