Hi Circuit Man,
I think that you are making reference to the Core clock frequency.
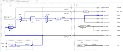
According the KE02 RM chapter 20 internal clock source, the internal clock is selected, since FLL Engaged Internal mode is automatically selected out of reset. Using MCUXpresso Config tools (Clocks Tool) and after selecting this FLL mode I have obtained 32 MHz of core clock frequency.

If you are using the MCUxpresso SDK, after running the BOARD_InitBootClocks(); the MCU is running with internal clock mode in FEE mode , core clock is 40 MHz.

However, I recommend you use the fsl_clock API, to determine any clock frequency from several IP's, including the Clock frequency.
uint32_t CLOCK_GetFreq(clock_name_t clockName);
This can be an easier way to determine clock values, for your delay API.
Additionally , If you are interested in Config tools, You can check our trainning videos and documentation, this tools helps users to initialize peripherals and clocks using a graphic interface.
https://www.nxp.com/design/training/basic-application-development-using-mcuxpresso-ide-and-mcuxpress...
And as a final recommendation, you can check out PIT timer demo in the KE02 SDK , for example, you can use the PIT timer to gererate delays. Our PIT API uses the clock frequency to calculate timings.
I hope this helps,
Diego.