imx8mq config dts(SPI)

cancel
Showing results for 
Show  only  | Search instead for 
Did you mean: 

imx8mq config dts(SPI)

41,790 Views
gaobo
Contributor I

board:IMX8MQ-EVK

Bsp:4.14.78

I want to change the default routing for the next three pins by configuring the device tree.

pastedImage_1.png

Because we now want to lead out 40 pins on the new board for users' independent development, including SPI,GPIO,UART,I2C device interface.

pastedImage_2.png

So,what I shound do through change dts.

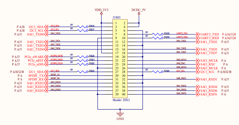
Attached is the hardware schematic diagram of customer development board

0 Kudos
Reply
19 Replies

41,548 Views
weidong_sun
NXP TechSupport
NXP TechSupport

Hello gaobo,

See below steps, please!

---------------------------------------

1. Remove these pins related to ECSPI2

    pinctrl_pcie1: pcie1grp {
        fsl,pins = <
            MX8MQ_IOMUXC_I2C4_SDA_PCIE2_CLKREQ_B        0x76 /* open drain, pull up */
            MX8MQ_IOMUXC_ECSPI2_SCLK_GPIO5_IO10        0x16
            MX8MQ_IOMUXC_ECSPI2_MISO_GPIO5_IO12        0x16
        >;
    };

By default, on i.mx8mq-evk, above 2 pins are multiplexed as GPIO, both for PCIe port, so you should remove them, and then assign other 2 GPIOs for PCIe port if you also want to use PCIe.

2. Referring to eCSPI code in imx8mn-evk.dts, add ecspi of i.MX8MQ to your board dts.

Below is from imx8mn-evk.dts

        pinctrl_ecspi2: ecspi2grp {
            fsl,pins = <
                MX8MN_IOMUXC_ECSPI2_SCLK_ECSPI2_SCLK        0x82
                MX8MN_IOMUXC_ECSPI2_MOSI_ECSPI2_MOSI        0x82
                MX8MN_IOMUXC_ECSPI2_MISO_ECSPI2_MISO        0x82
            >;
        };

        pinctrl_ecspi2_cs: ecspi2cs {
            fsl,pins = <
                MX8MN_IOMUXC_ECSPI2_SS0_GPIO5_IO13        0x40000
            >;
        };

Change related pins to those of i.MX8MQ's, please!  then add code to your dts for i.MX8MQ.

3. Adding eCPSI node like below.

Below is from imx8mn-evk.dts:

&ecspi2 {
    #address-cells = <1>;
    #size-cells = <0>;
    fsl,spi-num-chipselects = <1>;
    pinctrl-names = "default";
    pinctrl-0 = <&pinctrl_ecspi2 &pinctrl_ecspi2_cs>;
    cs-gpios = <&gpio5 13 GPIO_ACTIVE_LOW>; 
    status = "okay";

/* code below is determined by what device is connected to eCSPI, change it to yours */

    spidev0: spi@0 {
        reg = <0>;
        compatible = "rohm,dh2228fv";
        spi-max-frequency = <500000>;
    };
};

-------------------------------------------------------

OK, above 3 steps are enough for using ecspi.

Hope these steps are helpful for you!

Have a nice day!
B.R,

Weidong

0 Kudos
Reply

41,549 Views
gaobo
Contributor I

Hi Wigros Sun:

Return the SPI problem.After configuring the device tree in your way.I should get two devices /dev/spidev1.0 and /dev/spidev1.1 because I have a chip selection pin,but now I just get a spidev /dev/spidev1.0. 

Should  MX8MQ_IOMUXC_ECSPI2_SS0_GPIO5_IO13  is replaced by MX8MQ_IOMUXC_ECSPI2_SS0_ECSPI2_SS0

pastedImage_1.png

pastedImage_2.png

pastedImage_3.png

We look forward to your relpy!

Have a nice day!

0 Kudos
Reply

41,549 Views
weidong_sun
NXP TechSupport
NXP TechSupport

Let us discuss it in Chinese, if you can't understand Chinese, let me know.

你要连接2个device,当你的device tree里需要给spi节点2个chipselect了。你现在只有一个,那么就会只有spidev1.0。

(1)你的引脚定义的24/26脚,没有连接到ECSPI2_SS0上,那么也就是说上面的复用是无效的。你应该一个spidev都看不到的。

(2)你的CE0/CE1用的是SAI3_RXC和SAI5_MCLK,理论上复用为GPIO做应该可以做CS用。你可以试试行不行。

        pinctrl_ecspi2: ecspi2grp {
            fsl,pins = <
                MX8MQ_IOMUXC_ECSPI2_SCLK_ECSPI2_SCLK         0x82
                MX8MQ_IOMUXC_ECSPI2_MOSI_ECSPI2_MOSI        0x82
                MX8MQ_IOMUXC_ECSPI2_MISO_ECSPI2_MISO        0x82
            >;
        };

 

        pinctrl_ecspi2_cs: ecspi2cs {
            fsl,pins = <
                MX8MQ_IOMUXC_SAI3_RXC_GPIO4_IO29        0x40000    /*CS0*/

                MX8MQ_IOMUXC_SAI5_MCLK_GPIO3_IO25      0x40000   /*CS1*/
            >;
        };

&ecspi2 {
    #address-cells = <1>;
    #size-cells = <0>;
    fsl,spi-num-chipselects = <2>;
    pinctrl-names = "default";
    pinctrl-0 = <&pinctrl_ecspi2 &pinctrl_ecspi2_cs>;
    cs-gpios = <&gpio4 29 GPIO_ACTIVE_LOW>,<&gpio3 25 GPIO_ACTIVE_LOW>;
    status = "okay";

/* code below is determined by what device is connected to eCSPI, change it to yours */

    spidev0: spi@0 {
        reg = <0>;
        compatible = "rohm,dh2228fv";
        spi-max-frequency = <500000>;
    };
};

你试试上面的方法。

Weidong

0 Kudos
Reply

41,549 Views
gaobo
Contributor I

Hi Weidong:

我按照您的方法对fsl-imx8mq-evk.dts设备树文件进行了配置,但是并没有生成设备节点。我猜想是不是SAI3_RXC和SAI5_MCLK的pad control reg 的值配置错误了,不应该是0x40000,寄存器的值应该是0x15或者0x5吧。

pastedImage_1.png

pastedImage_2.png

pastedImage_3.png

0 Kudos
Reply

41,549 Views
weidong_sun
NXP TechSupport
NXP TechSupport

时间有限,我没有仔细地看寄存器,你可以配置一下看看。

修改 0x40000,其他不用动。

Weidong

0 Kudos
Reply

41,549 Views
gaobo
Contributor I

我根据您配置ECSPI2_SCLK、ECSPI2_MOSI、 ECSPI2_MISO三个管脚的控制寄存器的值,来配置了SAI3_RXC和SAI5_MCLK两个控制寄存器的值为0x82但是结果差强人意,还是没有出现相应的spidev,但是新添加的ecspi2节点应该是注册上了。

pastedImage_1.png

为了节约您的时间。我把SAI3_RXC和SAI5_MCLK两个管脚控制寄存器的datasheet放在下面,麻烦您帮忙解决一下。

pastedImage_2.png

pastedImage_3.png

pastedImage_4.png

pastedImage_5.png

0 Kudos
Reply

41,549 Views
weidong_sun
NXP TechSupport
NXP TechSupport

DSE = 100 

SRE = 01

ODE = 0

PUE = 0

HYS = 1

LVTTL = 0

凑起来就应该是:          1000 1100 -- >0x8C

你试试行不行。

Weidong

0 Kudos
Reply

41,549 Views
gaobo
Contributor I

我测试了还是不行。我感觉设备树的问题应该不大,您觉得是否和SPI设备驱动层有关系吗。是否有什么好的解决方法

0 Kudos
Reply

41,549 Views
weidong_sun
NXP TechSupport
NXP TechSupport

那就不是PAD配置的问题了。

之前你使用ECSPI2_SS0复用为GPIO,并用它们做chipselect时,你有一个spidev出现,这个我觉得很奇怪。

你的CE0和CE1,硬件上没有接这个ECSPI2_SS0,为什么会有spidev产生呢?

那么你现在这样试试:

        pinctrl_ecspi2: ecspi2grp {
            fsl,pins = <
                MX8MQ_IOMUXC_ECSPI2_SCLK_ECSPI2_SCLK         0x82
                MX8MQ_IOMUXC_ECSPI2_MOSI_ECSPI2_MOSI        0x82
                MX8MQ_IOMUXC_ECSPI2_MISO_ECSPI2_MISO        0x82
            >;
        };

 

        pinctrl_ecspi2_cs: ecspi2cs {
            fsl,pins = <
                MX8MQ_IOMUXC_SAI3_RXC_GPIO4_IO29        0x8C   

   /*             MX8MQ_IOMUXC_SAI5_MCLK_GPIO3_IO25      0x8C  */
            >;
        };

&ecspi2 {
    #address-cells = <1>;
    #size-cells = <0>;
    fsl,spi-num-chipselects = <1>;
    pinctrl-names = "default";
    pinctrl-0 = <&pinctrl_ecspi2 &pinctrl_ecspi2_cs>;
    cs-gpios = <&gpio4 29 GPIO_ACTIVE_LOW>;
    status = "okay";

/* code below is determined by what device is connected to eCSPI, change it to yours */

    spidev0: spi@0 {
        reg = <0>;
        compatible = "rohm,dh2228fv";
        spi-max-frequency = <500000>;
    };
};

也就是说用1个GPIO,挂一个SPIDEV,把你设计的SPI device接上去。启动板子,看有没有spidev产生,如果产生了,你访问以下这个实际的spidev,看看能不能正常工作。

Weidong

0 Kudos
Reply

41,549 Views
gaobo
Contributor I

关于SPI,只需要配置三根线(MOSI,MISO,SCLK)就可以的到spidev,无论cs是否配置引脚,还是配置多个引脚。目前我无法进行测试,因为开发板还在制作当中,目前用的是方案商提供的测试版,没有引出引脚。所以无法确定问题的根本。

pastedImage_1.png

pastedImage_2.png

编译这个设备树,还是可以得到spidev1.0

iqi@imx8mqevk:~$ ls /dev/s
shm/ snd/ spidev1.0 stderr stdin stdout

0 Kudos
Reply

41,549 Views
weidong_sun
NXP TechSupport
NXP TechSupport

你还是需要找一个SPI之类的外部device来测试 一下的,否则,根本不知道是不是正确。哪怕设计一个简单小板子用来测试也行。

weidong

0 Kudos
Reply

41,549 Views
gaobo
Contributor I

Hi Wigros Sun:

Thanks for you advice.But I still have a question.Why ues 0x82 in node? When I modified GPIO earlier, I looked for the MUX register offset address in the include/dt-bindings/pinctrl/pins-imx8mq.h file.In pins-imx8mq.h I'm not find 0x82.

include/dt-bindings/pinctrl/pins-imx8mq.h

  #define MX8MQ_IOMUXC_ECSPI2_SCLK_ECSPI2_SCLK                                0x204 0x46C 0x000 0x0 0x0

  #define MX8MQ_IOMUXC_ECSPI2_MOSI_ECSPI2_MOSI                                0x208 0x470 0x000 0x0 0x0

  #define MX8MQ_IOMUXC_ECSPI2_MISO_ECSPI2_MISO                                0x20C 0x474 0x000 0x0 0x0

  #define MX8MQ_IOMUXC_ECSPI2_SS0_GPIO5_IO13                                      0x210 0x478 0x000 0x5 0x0

We look forward to your reply!Have a nice day!

0 Kudos
Reply

41,549 Views
weidong_sun
NXP TechSupport
NXP TechSupport

Hi,

See below configurations, please!

-------------------------------------------------

        pinctrl_ecspi2: ecspi2grp {
            fsl,pins = <
                MX8MQ_IOMUXC_ECSPI2_SCLK_ECSPI2_SCLK         0x82
                MX8MQ_IOMUXC_ECSPI2_MOSI_ECSPI2_MOSI        0x82
                MX8MQ_IOMUXC_ECSPI2_MISO_ECSPI2_MISO        0x82
            >;
        };

 

        pinctrl_ecspi2_cs: ecspi2cs {
            fsl,pins = <
                MX8MQ_IOMUXC_ECSPI2_SS0_GPIO5_IO13         0x40000
            >;
        };

-------------------------------------------------

0x82 is value of it's PAD control register, for example: ECSPI2_SCLK's pad register is :IOMUXC_SW_PAD_CTL_PAD_ECSPI2_SCLK , page 1744, reference manual.

the register is used to tune driver strengh of the PAD.   you can change the configuration for you application.

pastedImage_1.png

For other pads, like ECSPI2_MOSI/ECSPI2_MISO/ECSPI2_SS0, they also have related pad control register.

pastedImage_2.png

pastedImage_3.png

pastedImage_4.png

they are all described in reference manual.

Have a nice day!
B.R,

weidong

41,549 Views
gaobo
Contributor I

Hi Wigros Sun:

I see what you mean.I want to know how to select the pad register value of other pins in dts.The pins correspond to each other on the two pictures.

pastedImage_1.png

pastedImage_2.png

We look forward to you reply.

Have a nice day!

0 Kudos
Reply

41,549 Views
weidong_sun
NXP TechSupport
NXP TechSupport

Hi,

 MX8MQ_IOMUXC_ECSPI2_SCLK_ECSPI2_SCLK         0x82

it means that 0x82 will be written to IOMUXC_SW_PAD_CTL_PAD_ECSPI2_SCLK. Not Read.

Read and understand each filed of the register. then configure (write value to the register) them.

Weidong

0 Kudos
Reply

41,548 Views
gaobo
Contributor I

Hi Wigros Sun:

I see that your mean.But i have a problem.The PAD I2C1_SDA value to be written should be between 0x1ff and 0(only bit0~bit8 can be operated),why 0x4000007f ?

pastedImage_1.png

pastedImage_2.png

0 Kudos
Reply

41,548 Views
weidong_sun
NXP TechSupport
NXP TechSupport

For Reserved filed, you don't need to set them.

weidong

0 Kudos
Reply

41,548 Views
gaobo
Contributor I

Hi:

I knew that,but I haven't changed  I2C1_SDA value.by default ,the I2C1_SDA value is 0x4000007f.What I want to know is why the I2C1_SDA value be set to 0x4000007f.

have a nice day!

0 Kudos
Reply

41,548 Views
gaobo
Contributor I

Hi Wigros Sun:

Do you mean this value(0x82) is read through the address of pad register or the register add ?

If not,I check the IOMUX_PAD define,

#define IOMUX_PAD(_pad_ctrl_ofs, _mux_ctrl_ofs, _mux_mode, _sel_input_ofs, _sel_input, _pad_ctrl)
no PAD value to select.
0 Kudos
Reply