Hi Community,
I'm working on i.MX6 Quad sabre-SD and build Android 6.0 for my image.
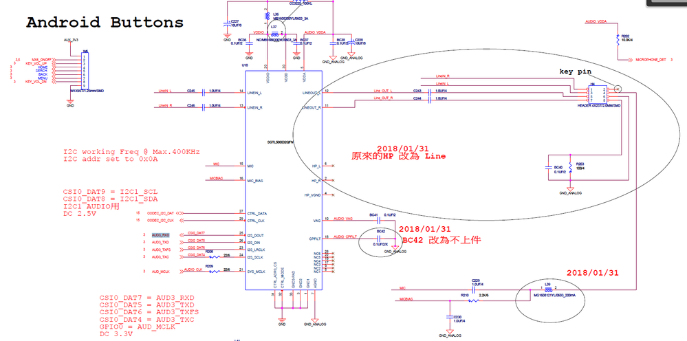
I'm trying to porting codec sgtl5000 on my self designed platform.
In menuconfig I enabled following settings:
CONFIG_SND_SOC_IMX_SGTL5000=y
CONFIG_SND_SOC_SGTL5000=y
In boot/dts/FX100_DEV.dtsi I set following settings:
sound {
compatible = "fsl,imx6q-nitrogen6x-sgtl5000",
"fsl,imx-audio-sgtl5000";
model = "fsl,imx-audio-sgtl5000";
ssi-controller = <&ssi2>;
audio-codec = <&codec>;
audio-routing =
"MIC_IN", "Mic Jack",
"Mic Jack", "Mic Bias",
"Line Out Jack", "Line In Jack";
mux-int-port = <2>;
mux-ext-port = <3>;
mic-det-gpios = <&gpio1 9 1>;
};
&ssi2 {
status = "okay";
};
&i2c1 {
clock-frequency = <100000>;
pinctrl-names = "default";
pinctrl-0 = <&pinctrl_i2c1>;
status = "okay";
codec: sgtl5000@0a {
compatible = "fsl,sgtl5000";
reg = <0x0a>;
clocks = <&clks 201>;
VDDA-supply = <®_2p5v>;
VDDIO-supply = <®_3p3v>;
};
};
&audmux {
pinctrl-names = "default";
pinctrl-0 = <&pinctrl_audmux>;
status = "okay";
};
&iomuxc {
pinctrl-names = "default";
pinctrl-0 = <&pinctrl_hog>;
pinctrl_hog: hoggrp {
fsl,pins = <
/ * SGTL5000 sys_mclk */
MX6QDL_PAD_GPIO_0__CCM_CLKO1 0x030b0
>;
};
pinctrl_audmux: audmuxgrp {
fsl,pins = <
MX6QDL_PAD_CSI0_DAT7__AUD3_RXD 0x130b0
MX6QDL_PAD_CSI0_DAT4__AUD3_TXC 0x130b0
MX6QDL_PAD_CSI0_DAT5__AUD3_TXD 0x110b0
MX6QDL_PAD_CSI0_DAT6__AUD3_TXFS 0x130b0
>;
};
};

If the picture is not clear, please click following link.
Imgur: The magic of the Internet
After all this settings, I still can not broadcast my music.
My line out and line in can not work.
What else did I miss?
Or
Is my dtsi settings wrong?
Thanks in Advanced!