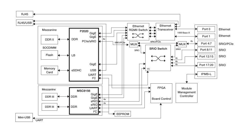
Block Diagram
The NXP® P2020-MSC8156 AdvancedMC™ (AMC) reference design is a multi-standard baseband development platform for the next generation of wireless standards such as LTE, WiMAX, WCDMA and TD-SCDMA.
- This AMC platform integrates the QorIQ® P2020 processor with its MSC8156 DSP
- A P2020 and MSC8156 mezzanine card provide the system building blocks to enable rapid prototyping systems
- Ideal for developing solutions for the next generation of wireless standards
Features
Key P2020-MSC8156 AMC Reference Design Features:
- Single width, full height AMC form factor
- QorIQ® P2020 processor
- Dual e500v2 cores at 1.2 GHz
- 1 GB of DDR2 (SOCDIMM)
- TCP/IP acceleration
- eSDHC
- USB
- MSC8156 DSP
- Six SC3850 cores, built on StarCore® technology, at 1 GHz each
- Multi Accelerator Platform Engine for Baseband (MAPLE-B)
- Programmable Turbo and Viterbi decoder
- Two banks of 512 MB 64-bit DDR3-800
Block Diagram

Board

Design Resources