Hi @Alice_Yang ,
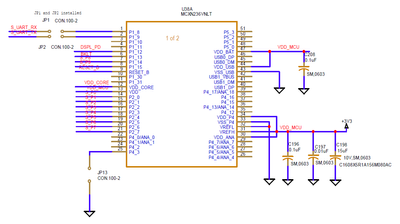
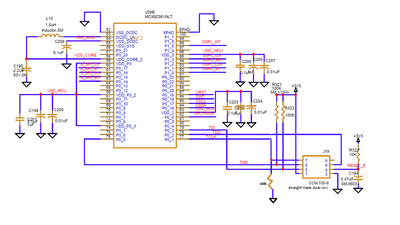
After reviewing the schematic, I noticed VDD_SYS on the board is outputting ~3.2V and the datasheet says it should be between 1.71-1.98 V. It's floating in the schematic. Is it normal on 100 pin package?
I have connected the following pins to MCU-Link.
| MCU-Link | NXP MCXN236 |
| VTarget | 3.3V |
| GND | GND |
| SWDIO | SWDIO |
| SWCLK | SWCLK |
| RESET | RESET |
Multimeter readings: VDD_MCU = 3.3 V, VCore = 1 V

