Hi Omid Athari,
I found the OM13082 general purpose board didn't connect the SD card pin 4 to the VDD.
So, please add a wire between your OM13082 general purpose board SD card pin 4 to VDD, you also can check the SD card pin 4, whether it has 3.3V after you connect the board to your LPCXpresso LPC43S67 board.
Now, I modify my board, and test the lpcopen periph_sdmmc example which download from this link:
LPCOpen Software for LPC43XX|NXP
After insert a SD card, I can create the hello.txt successfully.
1. Solid a wire between SD pin 4 to 3.3V like this picture:
SD PIN4->CN7_12

2. Because in the lpcopen periph_sdmmc example , the code read the MESSAGE.TXT at first:
rc = f_open(&Fil, "MESSAGE.TXT", FA_READ);
you can create a MESSAGE.txt in your SD card before, the he code will read successfully.
3. These are the printf in the com from my side:

After running the code, you will find there has a HELLO.text file in the SD card.

Please follow my step, and do it again.
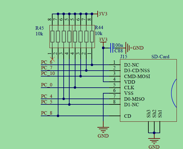
BTW, if in your own SD card design, for the stable working, I suggest you add the external 10K pull up in the SD card pin like the mini card circuit in the MCB4357 board:

Wish it helps you!
If you still have question, please let me know!
Have a great day,
Kerry
-----------------------------------------------------------------------------------------------------------------------
Note: If this post answers your question, please click the Correct Answer button. Thank you!
-----------------------------------------------------------------------------------------------------------------------