I 
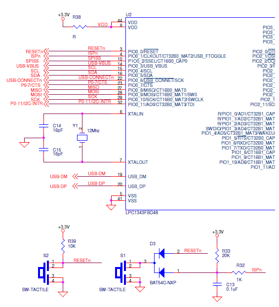
When switch S1 pressed, Driver is it is trying to connect the LPC 1343 as USB MSD. Installed USB sniffer and watched what is happening. PC is sending some bytes of data to lpc1343. But lpc1343 is not responding back to pc(Win 7). After some time Driver installation is failed and it says error(10) Device cannot start. I tested all the hardware components. Looks like everything works properly.
Do i nedd to replace the Microcontroller? Please help me to solve this.
Thanks in advance.