Any PLU example with the lpcxpresso55s69?

キャンセル
次の結果を表示 
表示  限定  | 次の代わりに検索 
もしかして: 

Any PLU example with the lpcxpresso55s69?

2,336件の閲覧回数
randa_zarrouk
Contributor III

Some helpful short video about how to use PLU configuration tool are out there. Meanwhile, as a newbie with NXPLPCs I am finding it a bit challenging to know:

  • how to route pins which are PLU related?
  • what to do after copying the generated C code by the PLU configuration tool?
  • what APIs and library to use when deploying PLUs  when included in the application's code?

Unfortunately there is no example project included in the SDK about PLU with the board lpcxpresso55s69. 

Any incites, examples or tutorials about this issue?  

ラベル(4)
3 返答(返信)

2,094件の閲覧回数
soledad
NXP Employee
NXP Employee

Hi, 

Please check the following document. 

LPC804: PLU Hands-on Lab Guide 

I hope this helps, 

have a nice day!

Regards

Soledad

2,094件の閲覧回数
randa_zarrouk
Contributor III

Thank you very much for your response. 

The guide was helpful. Meanwhile, in the provided example of the board LPC804 some of the PLU input are already connected to some push button while some of the PLU outputs are connected to some LEDs (through some jumpers as explained in the user Manual for LPCXpresso804 Board). However, this is not the case in the lpcxpresso55s69, it is totally different schematic and as far as I understood the PLU I/O are not connected to neither buttons nor LEDs, making it quite challenging to start-up with PLU manipulation. Once the PLU IN/OUTs are assigned, how can I make use of them in the overall application code?  

0 件の賞賛
返信

2,094件の閲覧回数
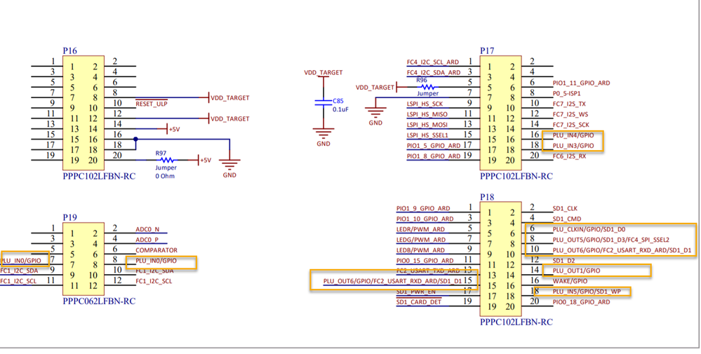
soledad
NXP Employee
NXP Employee

Hi,

You can use the pins from the expansion connectors. 

pastedImage_1.png

I hope this helps, have a nice day!

Regards 

Soledad

0 件の賞賛
返信