Parallel NOR flash connection with MK64, Data write error

cancel
Showing results for 
Show  only  | Search instead for 
Did you mean: 

Parallel NOR flash connection with MK64, Data write error

2,131 Views
NEIL4
Contributor II

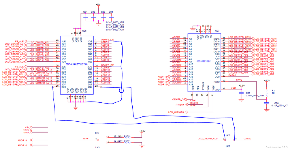
SchematicSchematicWaveform: CS,ALE,OE,WE,ADDRESS_0Waveform: CS,ALE,OE,WE,ADDRESS_0

I have interfaced 16bit NOR flash(SST39LF802C) with MK64 via Latch (54ABT16373A), the connections are made as per the above diagram. Programming had done as per App. Note(AN4393).

During read, write and erase, the OE and CS are always at HIGH logic state. Due to which could not able to perform any operation on the flash. Any feedback is really helpful. Thank you!

0 Kudos
Reply
3 Replies

2,092 Views
vicentegomez
NXP TechSupport
NXP TechSupport

Can you check that there is not any hardware issue?

 

Maybe you have an open pin

 

Regards

 

0 Kudos
Reply

2,086 Views
NEIL4
Contributor II

Can you check that there is not any hardware issue?

Maybe you have an open pin

-->

1. The GPIO toggle works fine at the Flash end, So don't think so any open air. But any Read and Write doesnot work.

0 Kudos
Reply

2,078 Views
vicentegomez
NXP TechSupport
NXP TechSupport

Hi

So you can send data from the K64, the gpio can send the information only the driver for the NOR is not working

 

Please check that the configurations are correct, I do not know if there is any special set for your NOR Flash

 

 

0 Kudos
Reply