Hello @markflamer
I hope that you are doing well!
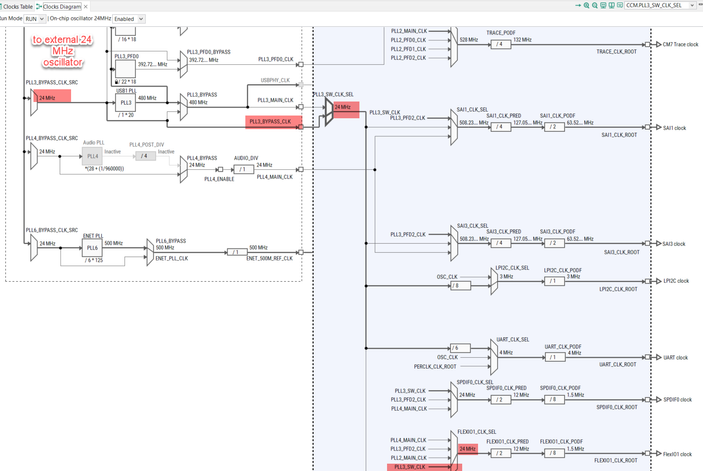
As you mention you can use the CCM_PLL3_BYP to connect directly the FlexIO to the external 24 MHz oscillator.
You will need to implement some code here. The easiest way to do this is using our Config Tools Clocks tool. Basically you can view the MCU clock three and edit muxes, and then proceed to generate code using the tool .The generated code must be called by your application code, or you can just take it as reference.

In case you where wondering, above you will see the an snapshot of the RT1010 clock three. FlexIO IP is similar with i.MX RT and Kinetis devices.
The config tools is integrated into the MCUXpresso IDE , and we also have a desktop version that could generate code for IAR and KEIL IDEs or ARM GCC.
Let me know if you need further assistance with this, or if I could recommend you additional material in case you need to get started with our Config tools.
Thanks for your patience,
Diego