Hi.
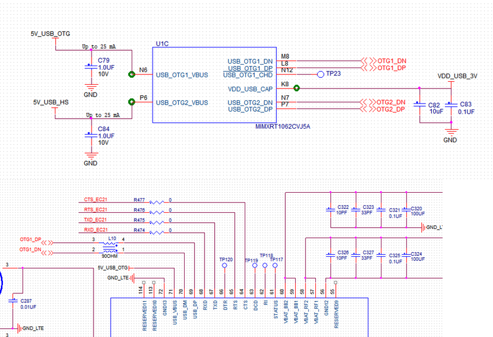
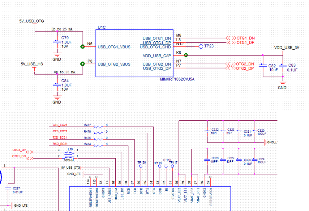
i.MXRT 1060-EVK based board is under review.
With the following :
![]()

![]()
There are cases when USB is recognized and not. There is a difference in the D+ waveform,
but I want to know the reason for the other part....
The circuit is as follows.
![]()

![]()
I'd like you to tell me if there is a problem...
Thanks.....