S32K3 Module_CLK

取消
显示结果 
显示  仅  | 搜索替代 
您的意思是: 
已解决

S32K3 Module_CLK

跳至解决方案
1,259 次查看
Embedded_novice
Contributor III

我在手册中看到CAN这个模块的时钟来源是只有AIPS_PLAT_CLK,但是在S32DS配置工具中却可以选择AIPS_PLAT_CLK以及SOSC和FIRC,,我想知道是我在使用参考手册时看的章节错了吗?同样的问题还有例如LSPI在手册中时钟来源是有AIPS_PLAT_CLK和AIPS_SLOW_CLK,但是在配置工具中只能选择AIPS_SLOW_CLK。

RM.pngS32DS.png

0 项奖励
回复
1 解答
1,212 次查看
Senlent
NXP TechSupport
NXP TechSupport

Hi@Embedded_novice

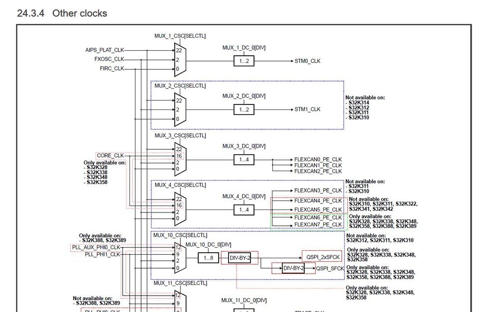
S32K3xx Reference Manual, Rev. 9, 07/2024,Chapter:"24.3.4 Other clocks"

Capture.JPG

在原帖中查看解决方案

0 项奖励
回复
3 回复数
1,252 次查看
Senlent
NXP TechSupport
NXP TechSupport

Hi@Embedded_novice

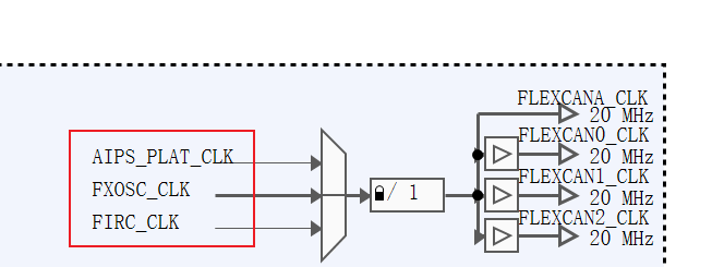
1.你可以看到FlexCAN模块的时钟有两个,在你提供的截图中已经可以看到了,分别是"CAN_CHI_CLK"和"CAN_PE_CLOCK",

其中“CAN_CHI_CLK”的时钟默认是“AIPS_PLAT_CLK”,不需要配置,你需要配置的是“CAN_PE_CLOCK”,其可以有“AIPS_PLAT_CLK”,“FXOSC_CLK”和“FIRC”三个选择。

 

2.LPSPI在S32K3中,不同的LPSPI的实例是不一样的,LPSPI0是属于高性能的,其外设时钟是“AIPS_PLAT_CLK”,对于其它的LPSPIx,如SPI1或者SPI2是普通的,其时钟源是“AIPS_SLOW_CLK”。

0 项奖励
回复
1,235 次查看
Embedded_novice
Contributor III
我想知道CAN_PE_CLOCK的时钟源是从哪里看到有“AIPS_PLAT_CLK”,“FXOSC_CLK”和“FIRC”三个选择的,因为我没有在参考手册中看到相关的描述(有漏看的可能)。如果你知道出处的话能告诉我吗?感谢!
0 项奖励
回复
1,213 次查看
Senlent
NXP TechSupport
NXP TechSupport

Hi@Embedded_novice

S32K3xx Reference Manual, Rev. 9, 07/2024,Chapter:"24.3.4 Other clocks"

Capture.JPG

0 项奖励
回复
%3CLINGO-SUB%20id%3D%22lingo-sub-2048672%22%20slang%3D%22zh-CN%22%20mode%3D%22CREATE%22%3ES32K3%20Module_CLK%3C%2FLINGO-SUB%3E%3CLINGO-BODY%20id%3D%22lingo-body-2048672%22%20slang%3D%22zh-CN%22%20mode%3D%22CREATE%22%3E%3CP%3E%E6%88%91%E5%9C%A8%E6%89%8B%E5%86%8C%E4%B8%AD%E7%9C%8B%E5%88%B0CAN%E8%BF%99%E4%B8%AA%E6%A8%A1%E5%9D%97%E7%9A%84%E6%97%B6%E9%92%9F%E6%9D%A5%E6%BA%90%E6%98%AF%E5%8F%AA%E6%9C%89AIPS_PLAT_CLK%EF%BC%8C%E4%BD%86%E6%98%AF%E5%9C%A8S32DS%E9%85%8D%E7%BD%AE%E5%B7%A5%E5%85%B7%E4%B8%AD%E5%8D%B4%E5%8F%AF%E4%BB%A5%E9%80%89%E6%8B%A9AIPS_PLAT_CLK%E4%BB%A5%E5%8F%8ASOSC%E5%92%8CFIRC%EF%BC%8C%EF%BC%8C%E6%88%91%E6%83%B3%E7%9F%A5%E9%81%93%E6%98%AF%E6%88%91%E5%9C%A8%E4%BD%BF%E7%94%A8%E5%8F%82%E8%80%83%E6%89%8B%E5%86%8C%E6%97%B6%E7%9C%8B%E7%9A%84%E7%AB%A0%E8%8A%82%E9%94%99%E4%BA%86%E5%90%97%EF%BC%9F%E5%90%8C%E6%A0%B7%E7%9A%84%E9%97%AE%E9%A2%98%E8%BF%98%E6%9C%89%E4%BE%8B%E5%A6%82LSPI%E5%9C%A8%E6%89%8B%E5%86%8C%E4%B8%AD%E6%97%B6%E9%92%9F%E6%9D%A5%E6%BA%90%E6%98%AF%E6%9C%89AIPS_PLAT_CLK%E5%92%8CAIPS_SLOW_CLK%EF%BC%8C%E4%BD%86%E6%98%AF%E5%9C%A8%E9%85%8D%E7%BD%AE%E5%B7%A5%E5%85%B7%E4%B8%AD%E5%8F%AA%E8%83%BD%E9%80%89%E6%8B%A9AIPS_SLOW_CLK%E3%80%82%3C%2FP%3E%3CP%3E%3CSPAN%20class%3D%22lia-inline-image-display-wrapper%20lia-image-align-inline%22%20image-alt%3D%22RM.png%22%20style%3D%22width%3A%20999px%3B%22%3E%3Cspan%20class%3D%22lia-inline-image-display-wrapper%22%20image-alt%3D%22RM.png%22%20style%3D%22width%3A%20999px%3B%22%3E%3Cimg%20src%3D%22https%3A%2F%2Fcommunity.nxp.com%2Ft5%2Fimage%2Fserverpage%2Fimage-id%2F325069i75E9D3B0E30896F4%2Fimage-size%2Flarge%3Fv%3Dv2%26amp%3Bpx%3D999%22%20role%3D%22button%22%20title%3D%22RM.png%22%20alt%3D%22RM.png%22%20%2F%3E%3C%2Fspan%3E%3C%2FSPAN%3E%3CSPAN%20class%3D%22lia-inline-image-display-wrapper%20lia-image-align-inline%22%20image-alt%3D%22S32DS.png%22%20style%3D%22width%3A%20653px%3B%22%3E%3Cspan%20class%3D%22lia-inline-image-display-wrapper%22%20image-alt%3D%22S32DS.png%22%20style%3D%22width%3A%20653px%3B%22%3E%3Cimg%20src%3D%22https%3A%2F%2Fcommunity.nxp.com%2Ft5%2Fimage%2Fserverpage%2Fimage-id%2F325068iF268F64917067148%2Fimage-size%2Flarge%3Fv%3Dv2%26amp%3Bpx%3D999%22%20role%3D%22button%22%20title%3D%22S32DS.png%22%20alt%3D%22S32DS.png%22%20%2F%3E%3C%2Fspan%3E%3C%2FSPAN%3E%3C%2FP%3E%3C%2FLINGO-BODY%3E%3CLINGO-SUB%20id%3D%22lingo-sub-2048846%22%20slang%3D%22zh-CN%22%20mode%3D%22CREATE%22%3ERe%3A%20S32K3%20Module_CLK%3C%2FLINGO-SUB%3E%3CLINGO-BODY%20id%3D%22lingo-body-2048846%22%20slang%3D%22zh-CN%22%20mode%3D%22CREATE%22%3E%E6%88%91%E6%83%B3%E7%9F%A5%E9%81%93CAN_PE_CLOCK%E7%9A%84%E6%97%B6%E9%92%9F%E6%BA%90%E6%98%AF%E4%BB%8E%E5%93%AA%E9%87%8C%E7%9C%8B%E5%88%B0%E6%9C%89%E2%80%9CAIPS_PLAT_CLK%E2%80%9D%EF%BC%8C%E2%80%9CFXOSC_CLK%E2%80%9D%E5%92%8C%E2%80%9CFIRC%E2%80%9D%E4%B8%89%E4%B8%AA%E9%80%89%E6%8B%A9%E7%9A%84%EF%BC%8C%E5%9B%A0%E4%B8%BA%E6%88%91%E6%B2%A1%E6%9C%89%E5%9C%A8%E5%8F%82%E8%80%83%E6%89%8B%E5%86%8C%E4%B8%AD%E7%9C%8B%E5%88%B0%E7%9B%B8%E5%85%B3%E7%9A%84%E6%8F%8F%E8%BF%B0%EF%BC%88%E6%9C%89%E6%BC%8F%E7%9C%8B%E7%9A%84%E5%8F%AF%E8%83%BD%EF%BC%89%E3%80%82%E5%A6%82%E6%9E%9C%E4%BD%A0%E7%9F%A5%E9%81%93%E5%87%BA%E5%A4%84%E7%9A%84%E8%AF%9D%E8%83%BD%E5%91%8A%E8%AF%89%E6%88%91%E5%90%97%EF%BC%9F%E6%84%9F%E8%B0%A2%EF%BC%81%3C%2FLINGO-BODY%3E%3CLINGO-SUB%20id%3D%22lingo-sub-2048799%22%20slang%3D%22zh-CN%22%20mode%3D%22CREATE%22%3ERe%3A%20S32K3%20Module_CLK%3C%2FLINGO-SUB%3E%3CLINGO-BODY%20id%3D%22lingo-body-2048799%22%20slang%3D%22zh-CN%22%20mode%3D%22CREATE%22%3E%3CP%3EHi%40%3CSPAN%3EEmbedded_novice%3C%2FSPAN%3E%3C%2FP%3E%0A%3CP%3E1.%E4%BD%A0%E5%8F%AF%E4%BB%A5%E7%9C%8B%E5%88%B0FlexCAN%E6%A8%A1%E5%9D%97%E7%9A%84%E6%97%B6%E9%92%9F%E6%9C%89%E4%B8%A4%E4%B8%AA%EF%BC%8C%E5%9C%A8%E4%BD%A0%E6%8F%90%E4%BE%9B%E7%9A%84%E6%88%AA%E5%9B%BE%E4%B8%AD%E5%B7%B2%E7%BB%8F%E5%8F%AF%E4%BB%A5%E7%9C%8B%E5%88%B0%E4%BA%86%EF%BC%8C%E5%88%86%E5%88%AB%E6%98%AF%22%3CSTRONG%3ECAN_CHI_CLK%3C%2FSTRONG%3E%22%E5%92%8C%22%3CSTRONG%3ECAN_PE_CLOCK%3C%2FSTRONG%3E%22%2C%3C%2FP%3E%0A%3CP%3E%E5%85%B6%E4%B8%AD%E2%80%9CCAN_CHI_CLK%E2%80%9D%E7%9A%84%E6%97%B6%E9%92%9F%E9%BB%98%E8%AE%A4%E6%98%AF%E2%80%9C%3CSPAN%3EAIPS_PLAT_CLK%3C%2FSPAN%3E%E2%80%9D%EF%BC%8C%E4%B8%8D%E9%9C%80%E8%A6%81%E9%85%8D%E7%BD%AE%EF%BC%8C%E4%BD%A0%E9%9C%80%E8%A6%81%E9%85%8D%E7%BD%AE%E7%9A%84%E6%98%AF%E2%80%9CCAN_PE_CLOCK%E2%80%9D%2C%E5%85%B6%E5%8F%AF%E4%BB%A5%E6%9C%89%E2%80%9C%3CSPAN%3EAIPS_PLAT_CLK%3C%2FSPAN%3E%E2%80%9D%EF%BC%8C%E2%80%9CFXOSC_CLK%E2%80%9D%E5%92%8C%E2%80%9CFIRC%E2%80%9D%E4%B8%89%E4%B8%AA%E9%80%89%E6%8B%A9%E3%80%82%3C%2FP%3E%0A%3CBR%20%2F%3E%0A%3CP%3E2.LPSPI%E5%9C%A8S32K3%E4%B8%AD%EF%BC%8C%E4%B8%8D%E5%90%8C%E7%9A%84LPSPI%E7%9A%84%E5%AE%9E%E4%BE%8B%E6%98%AF%E4%B8%8D%E4%B8%80%E6%A0%B7%E7%9A%84%EF%BC%8CLPSPI0%E6%98%AF%E5%B1%9E%E4%BA%8E%E9%AB%98%E6%80%A7%E8%83%BD%E7%9A%84%EF%BC%8C%E5%85%B6%E5%A4%96%E8%AE%BE%E6%97%B6%E9%92%9F%E6%98%AF%E2%80%9C%3CSPAN%3EAIPS_PLAT_CLK%3C%2FSPAN%3E%E2%80%9D%EF%BC%8C%E5%AF%B9%E4%BA%8E%E5%85%B6%E5%AE%83%E7%9A%84LPSPIx%2C%E5%A6%82SPI1%E6%88%96%E8%80%85SPI2%E6%98%AF%E6%99%AE%E9%80%9A%E7%9A%84%EF%BC%8C%E5%85%B6%E6%97%B6%E9%92%9F%E6%BA%90%E6%98%AF%E2%80%9C%3CSPAN%3EAIPS_SLOW_CLK%3C%2FSPAN%3E%E2%80%9D%E3%80%82%3C%2FP%3E%3C%2FLINGO-BODY%3E