Hi @Hermit
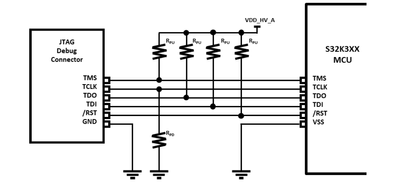
To confirm, when developing an Arm® circuit board, it is recommended to use a standard debug signal arrangement to make a connection to the debugger easier, as it is shown in the below image:

The connections were made in this way. If not, could you share how you have the debugger connection?
B.R.
VaneB