Use of ADC0 and ADC1 both with software trigger

キャンセル
次の結果を表示 
表示  限定  | 次の代わりに検索 
もしかして: 

Use of ADC0 and ADC1 both with software trigger

2,860件の閲覧回数
p_decesare
Contributor III

Hi,

I want to acquire the voltage measurements of two signals. My question is:
is it correct to use both ADC0 and ADC1 with software trigger for the acquisition of two signals? 

 

Thanks

 

Best regards

Paola 

0 件の賞賛
返信
7 返答(返信)

2,827件の閲覧回数
danielmartynek
NXP TechSupport
NXP TechSupport

Hi Paola,

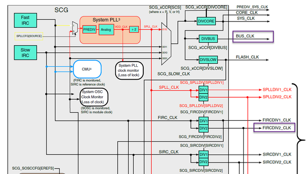
fFIRC is 48MHz,

fFIRCDIV2 is configurable:

danielmartynek_0-1599636996784.png

fADCK id then fFIRCDIV2 / ADIV

danielmartynek_1-1599637134330.png

Max fADCK is 50MHz but it must not be > than fBUS_CLK.

danielmartynek_3-1599637377856.png

danielmartynek_4-1599637397006.png

fBUS_CLK is fCORE_CLK / DIVBUS

danielmartynek_2-1599637235760.png

 

Regards,

Daniel

 

 

 

2,825件の閲覧回数
p_decesare
Contributor III

Thank Daniel.
I used these functions:

 

void SlowRUNmode_FIRC_48MHz(void)
{
SCG->RCCR=SCG_RCCR_SCS(3) /* FIRC as clock source*/
|SCG_RCCR_DIVCORE(0b00) /* DIVCORE=0, div. by 1: Core clock = 48/1 MHz = 48 MHz*/
|SCG_RCCR_DIVBUS(0b00) /* DIVBUS=0, div. by 1: bus clock = 48 MHz*/
|SCG_RCCR_DIVSLOW(0b01); /* DIVSLOW=1, div. by 2: SCG slow, flash clock= 24 2/3 MHz*/

while (((SCG->CSR & SCG_CSR_SCS_MASK) >> SCG_CSR_SCS_SHIFT ) != 3) {}
/* Wait for sys clk src=FIRC */
}

 

void FIRC_init_48MHz(void)
{
SCG->FIRCCSR = 0x00000000; //FIRCCEN=0: SIRC is disabled (default) for write
SCG->FIRCDIV = 0x00000101; //FIRCDIV1 & FIRCDIV2 divide by 1, max in HSRUN/RUN is 48MHz
SCG->FIRCCFG = 0x00000000; //Range 48MHz
SCG->FIRCCSR = 0x00000001; //LK=0: FIRCCSR can be written
//FIRCCEN=1: Enable SIRC, FIRCSEL = 0 ->Fast IRC is not the system clock source
while(!(SCG->FIRCCSR & SCG_FIRCCSR_FIRCVLD_MASK)); // Wait for FIRC valid
}

 

As mentioned in RM (pag.541) when there is FIRC clock it is should set the slow run mode. With the functions that I wrote above, I have the Bus Clock equal to 48MHz and the clock of ADC equal to FIRCDIV2 that is equal to 48MHz with ADIV = 0.
In this configuration I should have both fADC, fBUS equal to 48MHz. I would know if the configuration for FIRC clock is correct in order to have a correct conversion time from the formula of ADC.

Best regards

Paola

0 件の賞賛
返信

2,814件の閲覧回数
danielmartynek
NXP TechSupport
NXP TechSupport

Hi Paola,

This seems to be correct.

But you can always verify the clock by scoping the BUS_CLK on a CLKOUT pin.

danielmartynek_0-1599645226924.png

 

Regards,

Daniel

 

2,811件の閲覧回数
p_decesare
Contributor III

Thanks Daniel.

Finally I have the last question Sorry for disturbance, but I don't understand why the ADC reads a incorrect voltage values. I explain better my setup: I use as Voltage reference of ADC VREFH and VREEFL that allows a conversion in terms of voltage as:

5000*(adc_result)/(4095) (4095 is (2^12) -1 because I set as the resolution 12)

In CAN message when there is a dominant Bit (0) on CAN-High there will be as voltage 3.5V and on CAN-Low 1.5V. So in my configuration, every time that there is a 0 bit the ADC gives as result voltage measurements that aren't close to 3.5V and 1.5V. 

Why does the ADC give a incorrect value? What is the justification?

 

Thanks for your help

Best regards

Paola

0 件の賞賛
返信

2,781件の閲覧回数
danielmartynek
NXP TechSupport
NXP TechSupport

Hi Paola,

Please open a new thread for each addition question that is not related to the topic of this one (ADC SW trigger).

Have you tried measuring a constant voltage to test the ADC?

Is the ADC module calibrated?

The internal ADC sample and hold capacitor might not be charged to the input voltage if the sample time is too short or the input resistance is too high.

 

Regards,

Daniel

 

0 件の賞賛
返信

2,842件の閲覧回数
danielmartynek
NXP TechSupport
NXP TechSupport

Hi Paola,

You didn't specified the MCU.

But if you use S32K1xx, then yes, both ADC0 and ADC1 can be triggered by a write to SC1A (when SC2[ADTRG]=0) and sample different signals.

Regards,

Daniel

2,840件の閲覧回数
p_decesare
Contributor III

Thank you Daniel.

I use s32k144 and both for ADC0 and ADC1 the software trigger.
Daniel sorry for my trivial question but I would ask you the following thing:
if I select as the clock of ADC FIRCDVI2 [PCC->PCCn[PCC_ADC0_INDEX] |= PCC_PCCn_PCS(3)], it is necessary to set the slow run mode in order to obtain as the core_clk and the bus_clk 48MHz. 
In term of conversion time of ADC, this means that the fADC and fBUS is equal to 48MHz. Is it correct?

 

Thank you 

0 件の賞賛
返信