Using a MC9S12C32 controller in a fairly wide temperature application and have occasionally seen the controller hang at hot operating temperatures.  Have noticed a sensitivity on the clock (XTAL) line - probing this signal or adding a small amount of capa

cancel
Showing results for 
Show  only  | Search instead for 
Did you mean: 

Using a MC9S12C32 controller in a fairly wide temperature application and have occasionally seen the controller hang at hot operating temperatures.  Have noticed a sensitivity on the clock (XTAL) line - probing this signal or adding a small amount of capa

1,870 Views
steveruef
Contributor I

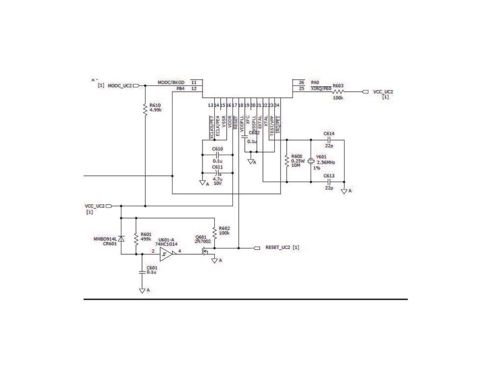
Using a MC9S12C32 controller in a fairly wide temperature application and have occasionally seen the controller hang at hot operating temperatures.  Have noticed a sensitivity on the clock (XTAL) line - probing this signal or adding a small amount of capacitance seems to alleviate the problem, but do not see any noticeable problem with the oscillator signal itself.  The oscillator is a Pierce configuration at fairly low frequency - 2.56MHz.  Has anyone run into this kind of problem?

 

138361_138361.jpgoscillator circuit.jpg

Labels (1)
0 Kudos
Reply
4 Replies

1,307 Views
steveruef
Contributor I

Have observed a software-generated time interval shifting by 10-20% over temperature even though oscillator signal itself appears to be very stable - seems to indicate a shift in the (internal) clock frequency.

0 Kudos
Reply

1,307 Views
RadekS
NXP Employee
NXP Employee

Hi Steve,

Thank you for more details.

Do you use PLL for generating bus clock or not?

If you use PLL, there missing low-pass filter between XFC and VDDPLL pins at your schematic.

If you don’t use PLL, the XFC pin has to be connected to VDDPLL pin.

Please look at Figure 9-2. PLL Loop Filter Connections in RM.

PLL filter calculator is attached.


I hope it helps you.

Have a great day,
RadekS

-----------------------------------------------------------------------------------------------------------------------
Note: If this post answers your question, please click the Correct Answer button. Thank you!
-----------------------------------------------------------------------------------------------------------------------

0 Kudos
Reply

1,307 Views
lama
NXP TechSupport
NXP TechSupport

Hi,

I would like to see the schematic design.

If it is confidential please create a Case (service request) and sent it to us.

If there is no indo about type of the oscillator please add it.

In case a new customer is asking how to submit a technical case on nxp.com
1) Please visit www.nxp.com
and click on Support on the top of the webpage.
2) Select Sales and Support under Support Resources session.
3) Scroll down to the bottom ,click on “hardware & Software” .
4) Register by your business email to enter NXP Community
5) Get verification email and verify your account.
6) Select "contact support" on the top and click “submit a new case” to start the process.

Best regards,

Ladislav

0 Kudos
Reply

1,307 Views
RadekS
NXP Employee
NXP Employee

FYI: More details about recommended procedure for creating a Case: How to submit a new question for NXP Support

0 Kudos
Reply