Dear Sir,
Our customer is using MC9S12ZVML for their HVAC blower project, and asks a question about 24V-system application use case. Hope you can help. Thanks.
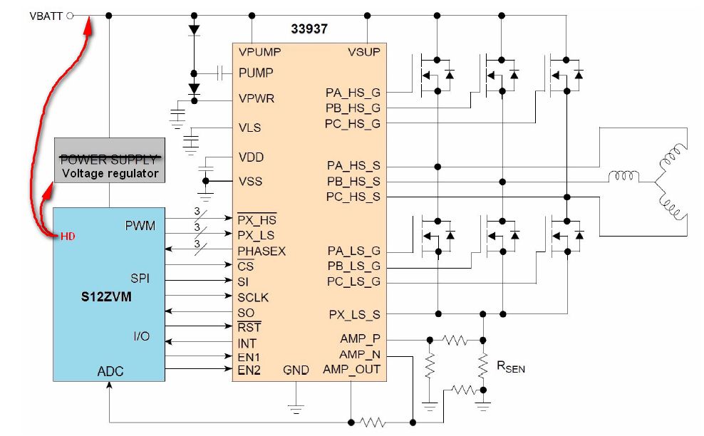
The system voltage is two 12V batteries in series which is possible high to 32V(16V+16V) when the battery is full. We found an AN5082 that suggests users to add a regulator for the Vsup and a gate driver for high & low side MOSFET.
The customer ask how to deal with this pin, HD ?
This pin shall keep under 20V and be required to close to the drain connections of the high-side MOSFET which is the battery voltage(36V possibly).






Where shall this pin, HD, connect to ?


Thanks.
Best regards,
Stanley
Message was edited by: Yao-Tsung Huang [ To cross out the power supply to be voltage regulator in the final image ]