Hi Vincent,
The reason is a correct detection of reset source.
In the case of any reset, the reset circuit holds RESET pin low for 512 PLLCLK cycles.
The detection is realized at the time point after 256 PLLCLK cycles from RESET pin release.
If the voltage at RESET pin is low at that point, the External RESET pin is assumed as a reset source.
The PLLCLK (VCO frequency during system reset fVCORST) is typically 8~32MHz. So, in the worst case, the voltage at RESET pin should be detected as high after 256 cycles at 32MHz = 8us.
The minimum input high level is defined as 0.65*VDDX.
The RC time constant of reset circuit refers to the time where voltage should be 63.2% of VDDX.
So, we may approximately estimate maximum capacitance/minimum pull-up resistor from simple formula C<256/(R*fPLLCLK).
More details and higher accuracy calculation could be found in document:
https://community.nxp.com/docs/DOC-103737
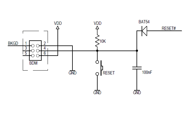
There is one additional option: we can connect Schottky diode between MCU reset pin and external RC circuit (capacitor and pull-up). In the case of system reset (caused by MCU), an external capacitor isn’t discharged and COP/CM detection works correctly even with 100nF capacitor. See attached circuit.

I hope it helps you.
Have a great day,
Radek
-----------------------------------------------------------------------------------------------------------------------
Note: If this post answers your question, please click the Correct Answer button. Thank you!
-----------------------------------------------------------------------------------------------------------------------