TEA1716 failure report, and correction

cancel
Showing results for 
Show  only  | Search instead for 
Did you mean: 

TEA1716 failure report, and correction

14,449 Views
atxled
Contributor I

We have a 96 watt power supply designed and built by our CM in China using the TEA1716

We are seeing over 7% failures.

Is there someone who could look at this and suggest a remedy, or design a new version that is going to be solid?

thanks

Murray

 

0 Kudos
Reply
16 Replies

13,590 Views
atxled
Contributor I

Hello again - is there a newer chip that we should be using for new designs?   Thanks!!

0 Kudos
Reply

14,396 Views
atxled
Contributor I

Hello - attached is the schematic and BOM from the vendor. Our specs are 51v and 1.9 amps, we wanted also a cutoff at 2.1 amps - but this design does not cut off until 2.4 amps.   We did not audit this design because this company supplied 1 million units of a different design without issues ( and we are not experts anyway!).    The 7N65 Mosfets they used were either the CS7N65 or the SIF7N65, some of the dead supplies show severe stress on those SMD MOSFETs ( they are DPACK not TO220).  The input bridge ( type 406)  is surprisingly hot in our FLIR images.  They used a 20 amp 150v TO-220 schottky with 10uA leakage on the output.   As mentioned in the OP, 7% have failed soon after installation.   A sample power supply with a direct short on the output does not fail after 6 hours.   We know that at least 2 of the failed units were operating at 96 watts for days before failing.

Out of the box new power supplies use 110 watts to product 96 watts out.  This is a lot worse than the 93% in the data sheet. 

Replacing the SIF7N65 with an STM STD7N65M2 does not improve efficiency.   The PFC FET is a IPS ITA20N50A - the 2SK3568 in your reference design is no longer available.   While the use of SMD instead of TO-220 on the 7N65 will be a reliability issue, unless we can increase the efficiency from 86% to 93%, just going to a TO-220 isn't a solution.

You ideas are most welcome. 

0 Kudos
Reply

14,387 Views
JozefKozon
NXP TechSupport
NXP TechSupport

Hello Murray,

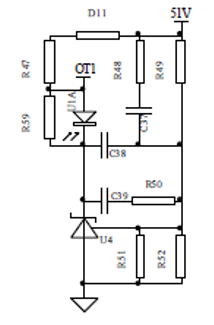
I have checked your schematic and compared it to a TEA1716DB1255 board. Please refer to Figure 14. in UM10557. The C7 in your schematic shouldn't be there. The resistor R29 should be connected directly to the SNSCURHBC pin 17. 

JozefKozon_0-1645018456792.pngJozefKozon_1-1645018467706.png

JozefKozon_2-1645018502527.pngJozefKozon_3-1645018525654.png

In your schematic the C23 is connected to the SNSCURHBC pin 17.

JozefKozon_4-1645018673024.png

 

With  Best Regards,

Jozef

0 Kudos
Reply

14,380 Views
atxled
Contributor I

Thanks for this answer.   We will compare all the parts and do some testing.   I notice that the App Note does not mention the need for a snubber on the secondary Schottky - any reason to not need that in your design? 

0 Kudos
Reply

14,345 Views
JozefKozon
NXP TechSupport
NXP TechSupport

Hello Murray,

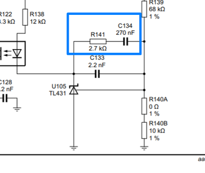
do you mean the Schottky diode U4 in your schematic and U105 in the Figure 14. in the UM10557? There is a snubber. R141 and C134. 

JozefKozon_0-1645165189754.png

JozefKozon_1-1645165207328.png

I added the values from BOM to the schematic. Please find the schematic attached for your convenience.

With  Best Regards,

Jozef

0 Kudos
Reply

14,343 Views
atxled
Contributor I

Hi,

U4 / U105 is a TLV  - not a schottky - don't you agree?

It is Schottky Q5 in our schematic that has the snubber added by the CM, I think this is recommended by ST in their AN1453 application note.    Is it not needed with the reference design 60v MBR2060?

0 Kudos
Reply

14,339 Views
JozefKozon
NXP TechSupport
NXP TechSupport

Hi Murray,

yes, you are right. The U4/U105 is a TLV. You mean the rectifier diodes. You can add a snubber to the rectifier diodes, but there is always a trade-off between using it and not using it. If the snubber is required in your application due to sudden interruption of current flow from the load, which will cause sharp rise in voltage, you can use the snubber to eliminate the transient voltages. But this will decrease the efficiency of the SMPS, because some current will be turned to heat in the snubber's resistor. So using snubber depends on requirements. Please consider above before using the snubber. 

With Best Regards,

Jozef

0 Kudos
Reply

14,321 Views
atxled
Contributor I

Hello

thanks for your info. 

We identified two issues.   Failure and low efficiency.   The low efficiency did not cause the immediate failures.

The failures were from a noname output Schottky supplier - even with a snubber, the overshoot was 120 volts and the parts labeled 150v were leaky and probaby not able to handle the 120v spikes.  It also had high reverse leakage

The snubber is required, not at full load, but at startup.   The 2 watts being burned in the original design, was reduced to 100 mw and not have an overvoltage issue.

The PF MOSFET was another no-name part, with bad specs.  Replaced it and got another 2 watt saving.   Other parts were studied and another 1000 mW was removed.

After reviewing all parts and testing the result, we hit about 92% - removing 1/2 the heat

Best Regards

Murray

 

0 Kudos
Reply

14,314 Views
JozefKozon
NXP TechSupport
NXP TechSupport

Hello Murray,

thank you for letting me know. Great, I am glad, that you have identified the issues. Its indeed important to use quality components. For a hint which components to use, you can also refer to the UM10557.

With Best Regards,

Jozef

0 Kudos
Reply

14,310 Views
atxled
Contributor I

Hello

in your BOM, the PF FET is showing today as obsolete.   What do you think of this FET? 

https://datasheet.lcsc.com/lcsc/2004181004_WUXI-UNIGROUP-MICRO-TPA65R520D_C508081.pdf

Thanks!

0 Kudos
Reply

14,303 Views
JozefKozon
NXP TechSupport
NXP TechSupport

Hello Murray,

please take the UM10557 as a hint. You don't have to use exactly same components, but please use quality components. Regarding the MOSFET obsolence, please ask the manufacturer for a recommended alternative.

With Best Regards,

Jozef

0 Kudos
Reply

14,300 Views
atxled
Contributor I

Actually - I think NXP should know better which part should replace the obsolete 2SK3568 - I mean this is your design and it would be better to recommend what the TEA1716 needs.

In particular - is 12 amps needed on the 400 volt vBus ???  a lower peak current should result in a lower gate capacitance.   What do you think?

0 Kudos
Reply

14,293 Views
JozefKozon
NXP TechSupport
NXP TechSupport

Dear Murray,

a recommended replacement for Toshiba 2SK3568 is ONSeminconductor (Fairchild semiconductor) FDPF13N50FT.

With  Best Regards,

Jozef

0 Kudos
Reply

14,290 Views
atxled
Contributor I

Can we use a 7 amp instead of a 12 amp part for this location with a 90 watt load?  Thanks!

0 Kudos
Reply

14,285 Views
JozefKozon
NXP TechSupport
NXP TechSupport

Dear Murray,

in the UM10557 the design is also for 90W and for the PFC part was a 12A MOSFET used. Please also use 12A MOSFET in your 90W application. 

With  Best Regards,

Jozef

0 Kudos
Reply

14,418 Views
JozefKozon
NXP TechSupport
NXP TechSupport

Dear Murray,

please share a schematic of your design with voltage levels and part values so we can check it.

Thank you.

With  Best Regards,

Jozef

0 Kudos
Reply