PIL for MPC5744

cancel
Showing results for 
Show  only  | Search instead for 
Did you mean: 

PIL for MPC5744

Jump to solution
2,229 Views
ykarata1
Contributor IV

Dear All,

I want to implement PIL for MPC5744 DEV_KIT and I have followed  PART 15: Processor-in-the-Loop (PIL) Validation video of NXP.

I could not operate the PIL system. I am getting MP57xx Config is missing error despite of model has it.

I have shared models at the attachment.

Any help will be appreciated.

Tags (1)
1 Solution
2,172 Views
mariuslucianand
NXP Employee
NXP Employee

Hello ykarata1@ford.com.tr‌,

Unfortunately, because we are using a custom tlc file, running PIL requires inserting our config block in all the referenced models as well. This should not affect the simulation running for the referenced models. Once I've added the config block, the PIL ran.

pastedImage_1.png

Hope this helps,

Marius

View solution in original post

3 Replies
2,173 Views
mariuslucianand
NXP Employee
NXP Employee

Hello ykarata1@ford.com.tr‌,

Unfortunately, because we are using a custom tlc file, running PIL requires inserting our config block in all the referenced models as well. This should not affect the simulation running for the referenced models. Once I've added the config block, the PIL ran.

pastedImage_1.png

Hope this helps,

Marius

2,173 Views
ykarata1
Contributor IV

Dear mariuslucianandrei‌,

Thanks for your support at PIL sample.

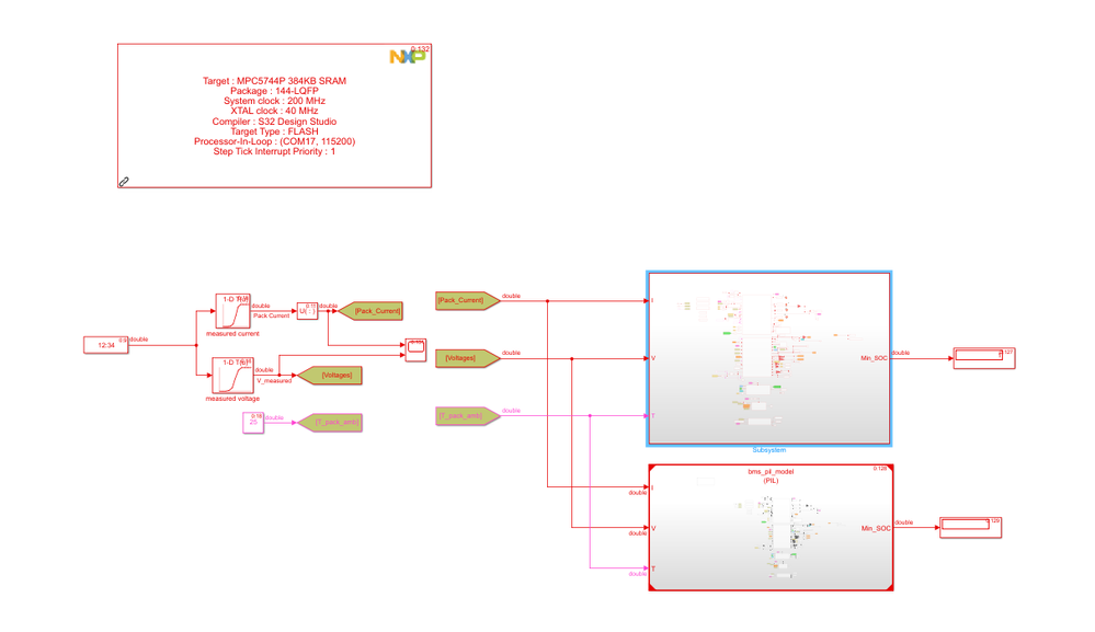
When I increased complexity and size of the model , It seems that I get a communication error. I am using same config and same model parameters. What may be the problem?

How can I solve that?

Thanks.

Inside of model:

pastedImage_1.png

PIL_VERIFICATTION:

pastedImage_2.png

RESULT:

pastedImage_4.png

0 Kudos
Reply
2,173 Views
ykarata1
Contributor IV

Thank you very much mariuslucianandrei

I have added config file to the model and it has worked.

Thanks a lot. That was my first PIL experience. :smileygrin: