3-phase Inverter Emulation

cancel
Showing results for 
Show  only  | Search instead for 
Did you mean: 

3-phase Inverter Emulation

2,063 Views
lethuer
Contributor V

Hello,

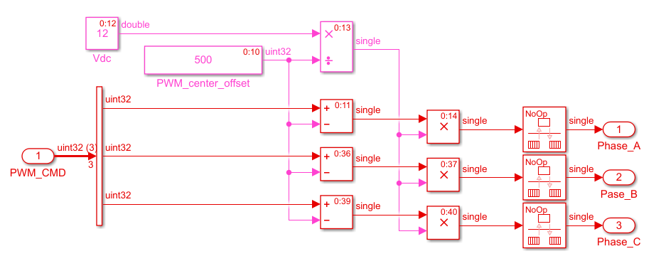
in PMSM Module 5: V/F Scalar Control this Subsystem is used to emulate the 3-phase driver:

Unbenannt.PNG

PWM_CMD looks like this, so the original is multiplied by 1000 and duty cycle is always between 0 and 100% (e.g. PWM_B at the beginning 700 = 70%):

Unbenannt1.PNG

If I'm right this means at the beginning the high side igbt PWM_B(H) = 70% and low side igbt PWM_B(L) = 30% ??

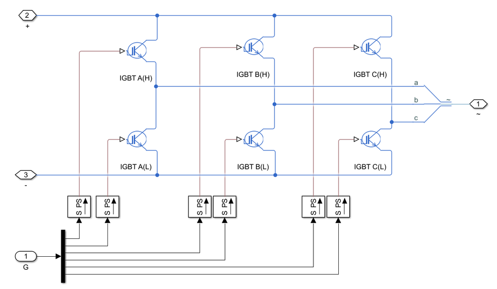
Now I want to simulate the inverter like this:

Unbenannt2.PNG

For this I have to get the Gate Signals called "G" but I don't know them.

How could I get them from the duty cycle above ?

The Inverter is working in complementary mode, so every time IGBT A(H) is on IGBT A(L) has to be off.

V IN(ON) Threshold = 2.6V, so the gates are driven by 3.3V directly by the controller.

Best regards

Leon

0 Kudos
Reply
3 Replies

1,753 Views
Daniel_Popa
NXP Employee
NXP Employee

Hi Leon, 

If I'm right this means at the beginning the high side igbt PWM_B(H) = 70% and low side igbt PWM_B(L) = 30% ?

You are correct!

For this I have to get the Gate Signals called "G" but I don't know them.

How could I get them from the duty cycle above ?

You take the PWM duty cycle computed by the SVM (which is between 0 and 1 - you do not need to scale it up to 100% or 1000% since you do not use the hardware) and you transform the value of the duty factor into 2 booleans based on a simple comparison.

I do not know how exactly you are simulation the inverter (powersim or something else) but you need to have the model execution time smaller than the time allocated for PWM computations. 

For example: if the FAST LOOP is 100usec (you compute a duty cycle at each 100usec) then if you wish to have a gate command resolution of 1% then you need to simulate the inverter subsystem 100 times faster than the subsystem that computes the duty cycles.

e.g. if you wish to have 70% ON for IGBT A(H) then you keep G A(H) ON for 70 cycles and then you switch it OFF and do the opposite for the lower part.

In theory - the inverter and motor shall be simulated with the smallest step possible in order to replicate the continuous time domain. In this case you need to have the inverter and motor simulated @ 1e-6seconds (might be over-killing for a PC)

Hope this helps!

Daniel 

0 Kudos
Reply

1,753 Views
lethuer
Contributor V

Hello dumitru-daniel.popa

You take the PWM duty cycle computed by the SVM (which is between 0 and 1 - you do not need to scale it up to 100% or 1000% since you do not use the hardware) and you transform the value of the duty factor into 2 booleans based on a simple comparison.

Okay I understand this for principle.

I have the three PWM signals which are between 0 and 1

But how to compute the comparision so that PWM_A = Logical 1 (in simscape the gate signal has to be 3,3) for 70 cycles in your example ?

I do not know how exactly you are simulation the inverter (powersim or something else) but you need to have the model execution time smaller than the time allocated for PWM computations.

I'm using the Simscape Power Systems Toolbox for the Inverter and PMSM machine. The IGBT is in the "Semiconductors" Library.

Best regards

Leon

0 Kudos
Reply

1,753 Views
lethuer
Contributor V

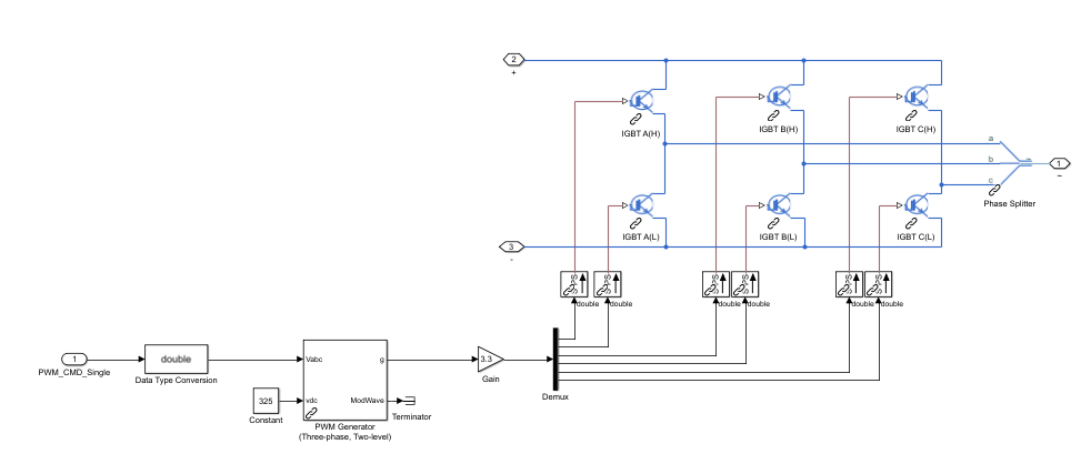
Okay I found a block "PWM Generator" which you can use to generate the gate signals.

It is working like this:

Unbenannt2.PNG

So the Inverter model now looks like this.

Unbenannt.PNG

But now the required time for the Simulation veeeery long...

Best regards

Leon