programming problems lpc55s14

cancel
Showing results for 
Show  only  | Search instead for 
Did you mean: 

programming problems lpc55s14

3,746 Views
Nadia
Contributor III

Captura.PNG

Captura2.PNG

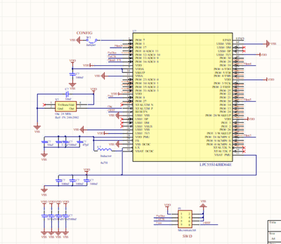
Hi all, I'm using the LPC55S14, and I can't program it, I get a message saying : Break at address "0xeffffffe" with no debug information available, or outside of program code.

If someone could tell me where the problem can come from.
Best regards

0 Kudos
Reply
10 Replies

3,709 Views
Omar_Anguiano
NXP TechSupport
NXP TechSupport

Hello

Hope you are well. I suggest you try programing a demo project in a new workspace.
Additionally, could you tell me how are you handling the PIO_5?
The state of port pin PIO0_5 at Reset determines the boot source of the part or if the handler is invoked.

If you have more questions do not hesitate to ask me.
Best regards,
Omar

0 Kudos
Reply

3,700 Views
Nadia
Contributor III

@Omar_AnguianoPIO0_5 is in pull-up.

Should it be at 3.3 V?

0 Kudos
Reply

3,681 Views
Omar_Anguiano
NXP TechSupport
NXP TechSupport

Yes, it is suggested to pull up the pin to 3.3V to avoid the device from entering into ISP mode.
Please create a new workspace and import a demo project to verify if this issue still persists.

If you have more questions do not hesitate to ask me.
Best regards,
Omar

0 Kudos
Reply

3,661 Views
frank_m
Senior Contributor III

Applying analogies from other MCUs, perhaps getting it into ISP mode and doing a Flash mass erase could solve it.

0 Kudos
Reply

3,654 Views
Nadia
Contributor III

@frank_m But with the same debbugger?

0 Kudos
Reply

3,648 Views
frank_m
Senior Contributor III

I think you will need special tools like Flash Magic, which implement the ISP protocol - and the medium supported by your MCU.

I did not have to use it with NXP controllers lately, but it's the same situation with other brands.

I think the NXP staff members here are more versed in such recovery / de-bricking problems ...

0 Kudos
Reply

3,637 Views
Nadia
Contributor III

@frank_m @Omar_Anguiano 

Why do I have to change lines of code to be able to access the interface to configure the peripherals and pins?

I mean, I create the project for the LPC55S14, and there are some lines where it says LPC55S16, and by changing them I can access the interface to configure the pins and clocks, otherwise I cannot.

Is this normal?

0 Kudos
Reply

3,644 Views
Nadia
Contributor III

@frank_m @Omar_Anguiano When I tried to load the programme, I got a file named: script.jlink, which contains:

 

ExitOnError 1
r
h
loadfile "C:\Users\Nadia\Documents\MCUXpressoIDE_11.3.1_5262\workspace\LPC55S14_Project\Debug\LPC55S14_Project.hex" 0x0
qc

qc

0 Kudos
Reply

3,664 Views
Nadia
Contributor III

@Omar_AnguianoThe problem persist. PIO0_5 is at 3.3V 

0 Kudos
Reply

3,735 Views
Nadia
Contributor III

When I try to program it, I get this message: Break at address "0xeffffffe".

0 Kudos
Reply