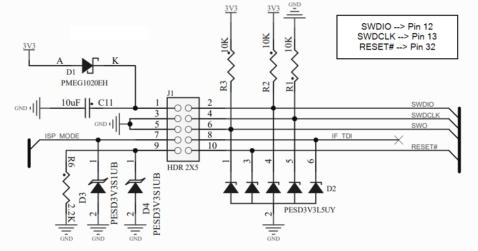
Hi, I am using the lpc5516 on a custom board, I am using the SWDIO pins to program my lpc5516 but I am only able to program once, after that I am not able to program again but my code is still working, I create my code using MCUXpresso configuration tools to configure my lpc to 150MHz, the code is working fine even if I am not able to reprogram it again, I tried to use ISP mode but I have not been successful, I can't reprogram.
The same code works well and can be reprogramed without problems in the evaluation board LPC55S16-EVK (Using LinkServer Debug), the only difference is the LPC55S16 that use the evaluation board with my LPC5516 and my programmer that is Multilink Universal FX.
I am using:
MCUXpresso IDE v11.8.1_1197 (SDK_2.x_LPC55S16, Version 2.14.0)
Multilink Universal FX (To program the lpc)
[LPC5516JDBD100
TR7XB205.000 01
sSD24140A]
Can you give me some direction or some idea of what might be happening?

If I change the microcontroller, it will be programmed only once or twice. The error that appears is:


Thanks