VDD Decoupling capacitor on LPC54604

cancel
Showing results for 
Show  only  | Search instead for 
Did you mean: 

VDD Decoupling capacitor on LPC54604

1,629 Views
liron_homsky
Contributor I

Hi,

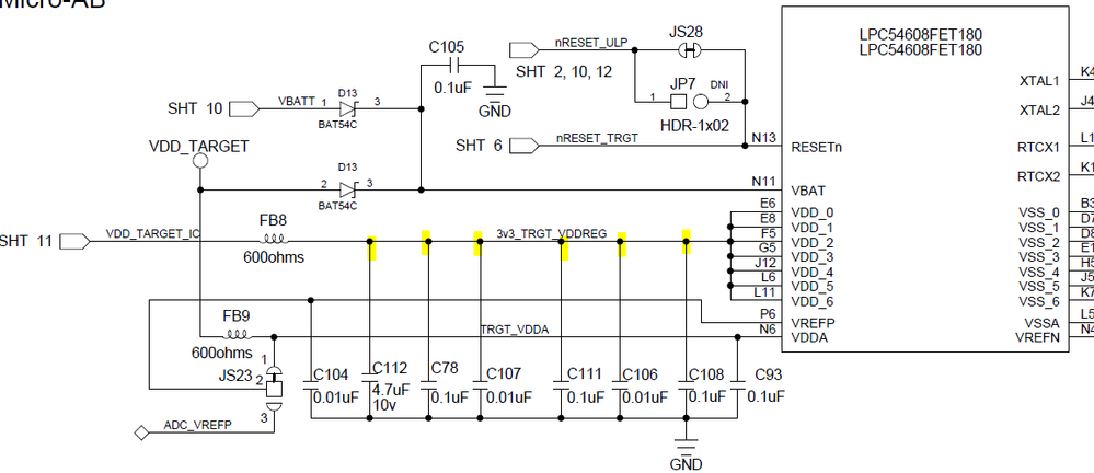
VDD decoupling capacitors, according to the datasheet:

"Position the decoupling capacitors of 0.1 μF and 0.01 μF as close as possible to the VDD pin. Add one set of decoupling capacitors to each VDD pin.:

This means at least 1+12 = total 13 capacitors!

In the EVB there are 1x 4.7uF and 5x0.1uF total 6 capacitors.

Should I follow the DS or there is some flexibility here?

BR,

Liron

Labels (1)
2 Replies

1,574 Views
liron_homsky
Contributor I

Thank you Omar.

It was helpful to realize this conflict.

Liron

1,574 Views
Omar_Anguiano
NXP TechSupport
NXP TechSupport

Hello Liron Homsky

 

I suggest you refer the schematic of the EVB with 4.7uF, 0.1uF, and 0.1uF capacitors. The values from the datasheet could be an option but I suggest the values from the EVB schematic.

pastedImage_2.png

 

Let me know if this is helpful if you have more questions do not hesitate to ask me

Best regards,

Omar

0 Kudos
Reply