Hi,
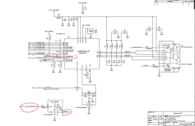
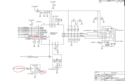
I copy the screenshot of the schematics of LPC54S018-EVK board, the crystal Y1 generates 25MHz clock with LAN8720A internal OSC circuit, with internal PLL, the LAN8720A outputs 50MHz clock to the pin 14 of LAN8720A as REFCLKO clock signal, which is connected to PIO4_14 ENET_RX_CLK signal of LPC54018 with 180 pins package.
In conclusion, the PIO4_14 ENET_RX_CLK signal of LPC54018 must be connected to a 50MHz clock from ethernet PHY so that they can synchronize.
Hope it can help you
BR
XiangJun Rong
