Hello,
We are designing a biomedical device which collects bio-data and streams out through USB using LCP55S16. There are two USB ports -USB0 for FS and USB1 for HS.
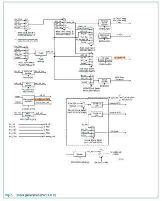
I understand that USB1 HS supports FS protocol. Presumably we are using only a full speed USB 2.0 then I guess either USB0 or USB1 work. However, I want to understand the difference between using USB0 and USB1 in hardware design perspective.
After going through the datasheet, my understanding is USB0 can be operated crystal-less (no external 16MHz crystal needed) ,while USB1 requires the external crystal through xtal32N/xtal32P pins. Is this the only difference between USB0 and USB1? If so, I assume LCP55s16 MCU integrates two separate PHY for USB0 and USB1 (correct me if I am wrong).

In summary, my questions are as follows:
1) Do only USB1 require an external crystal, while USB0 can operate crystal-lessly?
2) LCP55S16 has two separate USB PHY for USB0/USB1?
3) Is there any other difference between USB0 and USB1?
Thanks!
Jaehoon