USB self powered schematics for MK20DX

cancel
Showing results for 
Show  only  | Search instead for 
Did you mean: 

USB self powered schematics for MK20DX

Jump to solution
5,548 Views
davidmm
Contributor I

Hi,

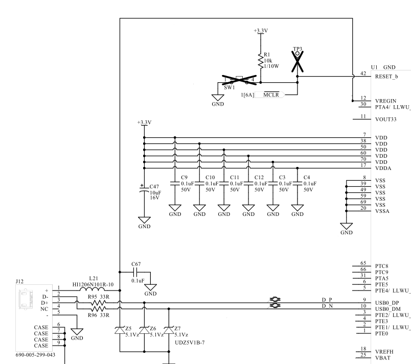
Does anybody knows where i could find an example schematics for the right way to connect the USB connector to a kinetis MK20DX when the device is self powered ? I am mostly concern to have the circuit protected when the board is connected to the USB port of a host which has power but my board it self is not powered. I have 2 prototypes board that have been damage when the board USB is connected to a PC before I give power to the board. If the board is powered before being connected to the PC USB is OK (have been using the boards for days but USB stop working and the chip got hot when doing the sequence I think damage the USB ). For reference I am currently using the following circuit to connect the USB to the MCU .

pastedImage_0.png

Thanks.

Labels (2)
0 Kudos
Reply
1 Solution
4,765 Views
cutworth
NXP Employee
NXP Employee

Hi David,

No matter your MCU is acting as self-powered or bus-powered USB device, you will need to connect VREGIN directly to VBUS on USB connector. VREGIN is the input for on-chip USB regulator, its output is VOUT33 which is 3.3V when VREGIN is 5V from VBUS. VOUT33 powers USB transceiver on the MCU and is what is needed for proper USB operation.

The difference between self-powered or bus-powered device can be seen from following images.

self-powered case

pastedImage_0.png

bus-powered case

pastedImage_1.png

Hao

View solution in original post

0 Kudos
Reply
6 Replies
4,765 Views
davidmm
Contributor I

ok i see thanks Hao this is what I needed to be clear.

0 Kudos
Reply
4,766 Views
cutworth
NXP Employee
NXP Employee

Hi David,

No matter your MCU is acting as self-powered or bus-powered USB device, you will need to connect VREGIN directly to VBUS on USB connector. VREGIN is the input for on-chip USB regulator, its output is VOUT33 which is 3.3V when VREGIN is 5V from VBUS. VOUT33 powers USB transceiver on the MCU and is what is needed for proper USB operation.

The difference between self-powered or bus-powered device can be seen from following images.

self-powered case

pastedImage_0.png

bus-powered case

pastedImage_1.png

Hao

0 Kudos
Reply
4,765 Views
davidmm
Contributor I

Hi Hao Wang and Kan_Li,

I took a look at the schematics from the Tower board.  It is still not clear to me how I shall wire everything.  What I want is my board to be a device that is powered from an external power source, which is not USB.  However, it is possible that USB connection is established while there is no power provided by my external source.  In that event, I expect my board not to be powered from the USB bus at all.  My board shall behave as if it is not plugged on the host device.

What I understood is that VREGIN shall be connected to the 3.3V supply of my board at all times and that a 2.2µF capacitor must be added to the VOUT33 pin, which is fine.  But what will happen concretely when USB is plugged while there is no power on both VDD and VREGIN?  There will be power on both D+/D- lines that may flow in the MCU, or will this be blocked somehow by the USB module?  This is not clear from both the datasheet and the TOWER schematics.

0 Kudos
Reply
4,765 Views
davidmm
Contributor I

Thanks Hao Wang and Kan_Li for the fast response, I will review the provided schematics and the the suggested measurement on the current of USB.

David M.

0 Kudos
Reply
4,765 Views
cutworth
NXP Employee
NXP Employee

Hi David,

Have you checked the MCU current when you say it is damaged when it's connected to PC without its VDD powered? I mean check the current with MCU VDD powered. Are you using a long USB cable to connect to PC? Is C67 and the ESD diodes soldered on board? VBUS power surge during cable connection could lead to on-chip USB regulator broke if without proper filtering on VBUS.

By the way, I see there is no caps connected on VOUT33. You need to connect 2.2uF cap on this pin to have the USB regulator working correctly. USB operation requires valid 3.3V output on this pin.

Hao

0 Kudos
Reply
4,765 Views
Kan_Li
NXP TechSupport
NXP TechSupport

Hi David,

Please check the ELE_PS_SENSE and VCC3V3 signals from the TWR-SER board, and how they work on tower mcu board like TWR-K60D100M. Please refer to the following links for more details.

http://cache.nxp.com/files/microcontrollers/hardware_tools/schematics/TWR-SER-SCH.pdf

http://cache.nxp.com/files/soft_dev_tools/hardware_tools/schematics/TWR-K60D100M_SCH.pdf

Hope that helps,


Have a great day,
Kan

-----------------------------------------------------------------------------------------------------------------------
Note: If this post answers your question, please click the Correct Answer button. Thank you!
-----------------------------------------------------------------------------------------------------------------------

0 Kudos
Reply