Hi Mark,
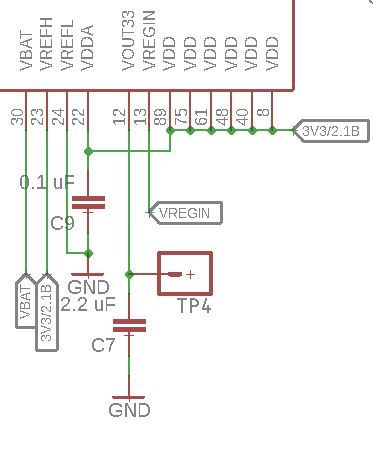
Yes, I have connected the 2.2 uF capacitor to VOUT 33 pin. Attached is the screenshot of the same.
USB clock is also set correctly to 48 MHz. Please have a look at CPU settings for external crystal and USB_INIT settings. Still the USB is not enumerated.



While debugging, in CDC1_App_Task() function,
if ((start_app==TRUE) && (start_transactions==TRUE))
start_app and start_transactions flags are not setting to 1 when USB is connected and then it shows ERR_BUSOFF error code. Below are the screenshots CDC1_App_Task() function.

Can you please help to find out, what could be wrong in the settings or in schematic.
Thank you,
Kirti