Hi;
I've encountered on the documentation that when using AFE for metering application for the best accuracy PLL clock shall be used.
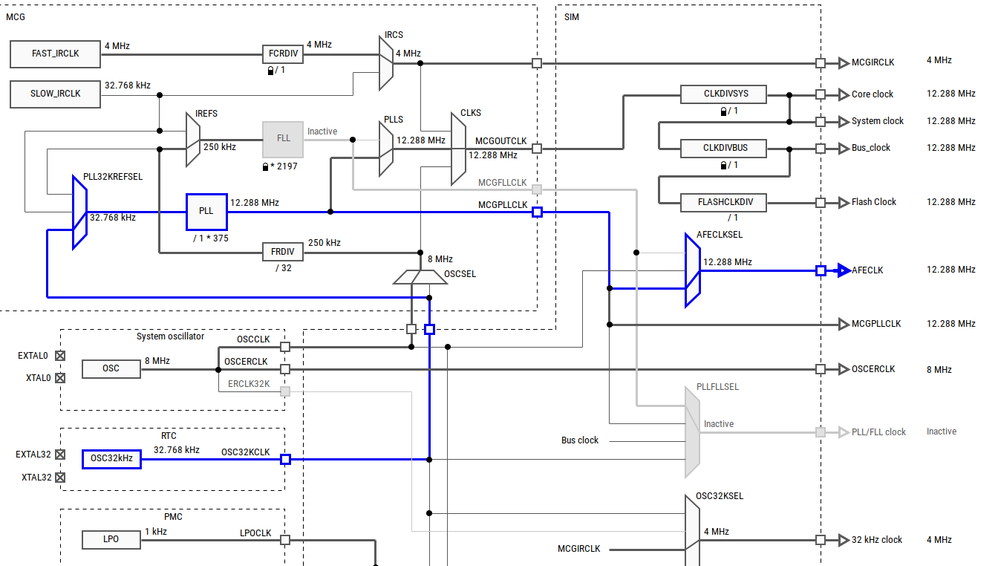
"AFE clocked from dedicated PLL. Option to run AFE with other clock sources
but at reduced accuracy."
Currently I've used FLL and the accuracy is not best (like 10-11bits resolution 128-oversampling ).
So now I would like to switch to CLK source to PLL but documentation says:
- "When PLL is driving AFE clock, this clock should not be used for
any other module including the core, bus, flash and other peripherals as this is necessary
High-Level clocking diagram" "The 32 kHz IRC is not preferred to drive the PLL input
reference when device is used for metering applications (IRC &
FLL clocks are inaccurate clock sources for AFE)."
I'm trying to fulfill the requirements using McuExpresso tool:

but it's seems to impossible to run PLL (to generate CLK for afe modulator) and in the same time setting clock core to not use PLL clk.
It is possible to run FLL for core clock and PLL for AFE?