MK20DX128VFM5 Fails to load binary on K66

取消
显示结果 
显示  仅  | 搜索替代 
您的意思是: 

MK20DX128VFM5 Fails to load binary on K66

4,018 次查看
kumarnarendrasi
Contributor II

Hi I am using FRDM-K66 reference schematic design for my custom board. I have around 10 boards working as openSDA and i am able to program K66 using Dragging and Dropping binary. In one of the board, K20 is detected as storage and its detected as FRDM-K66FD drive as others but when i try to drag and drop binary file then K66 doesn't get programmed and binary file remains in the drive. Also i could see that K20 pulls the reset and doesn't recover back(i.e. K66 reset pin remains low always) which should actually recover back and pulled high after programming is over.

Can anyone please let me know what may be reason for not programming K66? I am able to program K66 and K20 with JTAG interface separately. All the interface lines in between K20 and K20 also get correct voltages and all.

pastedImage_1.png

标记 (1)
0 项奖励
回复
9 回复数

3,750 次查看
kumarnarendrasi
Contributor II

Hello Kerry,

We had it programmed the Boot loader again. This time when I probe the RESET, the pin 29 goes low continuously(Pulsed waveform). Also the FRDM_K66 storage in Linux shows only when I touch the RESET pin with either the DSO probe or a multimeter. When I remove the probe the storage gets disappeared

Below is the log We had when I did the above mentioned experiment. It starts from around 10 lines from the bottomK20_Usb_Log.jpeg

Please help me out.

Regards,

Raj

0 项奖励
回复

3,750 次查看
kerryzhou
NXP TechSupport
NXP TechSupport

Hi Raj,

  After you change the K20 chip, please also use the JLINK commander to connect the K20 chip with SWD cable.

  Can you find the core or not?

  If you can't find the core, it means your hardware still have problems, still need to check the K20 side circuit and connections.


Have a great day,
Kerry

-----------------------------------------------------------------------------------------------------------------------
Note: If this post answers your question, please click the Correct Answer button. Thank you!
-----------------------------------------------------------------------------------------------------------------------

0 项奖励
回复

3,750 次查看
kumarnarendrasi
Contributor II

Hello Kerry,

We tried replacing the K20 with a hot air blower @300°C. Still the problem persist.

Now its not showing as a Storage and could see a continuous pulse at RESET of K20 as shown below.

RST K20.jpeg

Usb signals are working.

Please let us know about the RESET of K20

Regards,

Raj.

0 项奖励
回复

3,750 次查看
kerryzhou
NXP TechSupport
NXP TechSupport

Hi Raj,

   Please download the K20 code to the K20 chip, then test the reset pin again, this problem normally caused by the empty chip. After you download the code to the chip, the reset pin will be high.


Have a great day,
Kerry

-----------------------------------------------------------------------------------------------------------------------
Note: If this post answers your question, please click the Correct Answer button. Thank you!
-----------------------------------------------------------------------------------------------------------------------

0 项奖励
回复

3,750 次查看
kumarnarendrasi
Contributor II

Hello Kerry,

Yes Cortex-M4 is identified 

pastedImage_5.png

But for K20 device is not identified. I have JTAG interface for K20.  please find the Image below.

pastedImage_6.png

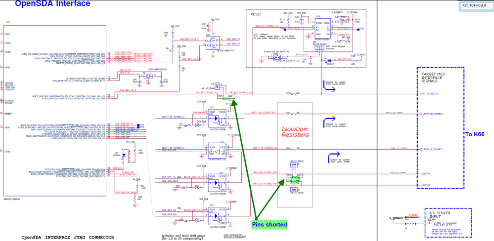
We probed the signals from K20 to K66 and found that K66's(MK66FN2M0VLQ18) RESET{isolated by a Jumper}  is controlled by K20's SDA_RST_TGTMCU_B , K20 is always keeping this line low only when I upload a bin file to the K20's Storage(FRDM-K66FD) and remain always at the same state (LOW).

Regards,

Raj

0 项奖励
回复

3,750 次查看
kerryzhou
NXP TechSupport
NXP TechSupport

Hi Raj,

    Good, so we can know, actually, your problem is just in the K20 side, not the K66 side.

    Normally, this problem is caused by the hardware.

    You can check the K20 smallest system solder, any solder problem in the K20 pin? Please check it carefully.

    If you can't find the problem, I recommend you try to change another K20 chip, then note the solder temperature, the max solder temperature is 260°C, too high solder temperature may damage the chip.

  Please try it again on your problem board.

   


Have a great day,
Kerry

-----------------------------------------------------------------------------------------------------------------------
Note: If this post answers your question, please click the Correct Answer button. Thank you!
-----------------------------------------------------------------------------------------------------------------------

0 项奖励
回复

3,750 次查看
kumarnarendrasi
Contributor II

Hello Kerry,

We changed the firmware again,flashed the Bootloader Binaries in K20 and K66 respectively.

 

Working Board condition :

K20 showed as FRDM-K66 storage. When we drop a bin file into this storage,K20 programs the K66 through open SDA through the indication of the Led D4 blinking continuously. We use SW5 for restting the K66 and Finally the FRDM-K66 storage does not show any bin after programming K66 through Opensda.

 

Not working boards Condition :

In other two boards we could find that the K20 shows as FRDM-K66 storage and when we drop a bin file in it get stored in the storage and does not program the K66 through Opensda , the led D4 always glow whereas it should not indicating that SDA_RST_TGTMCU (pin 20) of MK20DX128VFM5 is always low after reseting K66 using SW5.

SDA_RST_TGTMCU does not recover in to its default HIGH state. 

 

FRDM-K66 storage always show the bin file in it indicating that the file is not programmed into K66 through Opensda. 

 

Regards,

Raj

0 项奖励
回复

3,750 次查看
kerryzhou
NXP TechSupport
NXP TechSupport

Hi Raj,

    Thanks for your updated information.

    Now, let's just test your "Not working boards".

    Please change the Not working boards debugger to JLINK, then open the JLINK commander, try to connect your own board K66 chip, can you find the core?

  pastedImage_2.png

  You can try it, whether you can find the core or not like me?


Have a great day,
Kerry

-----------------------------------------------------------------------------------------------------------------------
Note: If this post answers your question, please click the Correct Answer button. Thank you!
-----------------------------------------------------------------------------------------------------------------------

0 项奖励
回复

3,750 次查看
kerryzhou
NXP TechSupport
NXP TechSupport

Hi Kumar,

    Do you try to problem your K20 chip, and change the opensda firmware again?

     I suggest you use the JLINK firmware, then use the JLINK commander to check it, whether you can find the K66 ARM core or not?

     Besides, you also can use the external debugger to test this problem board's K66 chip, whether it can find the core or not?


Have a great day,
Kerry

-----------------------------------------------------------------------------------------------------------------------
Note: If this post answers your question, please click the Correct Answer button. Thank you!
-----------------------------------------------------------------------------------------------------------------------

0 项奖励
回复