Hi, we're having this issue trying to program MK20 for OpenSDA;
After programming the reset pin is outputing pulses which according to various other posts here means the chip did not program correctly but the J-Flash Lite and J-Link Commander seem to report otherwise.
Another think to poing out is that J-Flash lite wrote the message of the MCU being protected and that I needed to do a full chip erase which was the case every time I tried to program it.
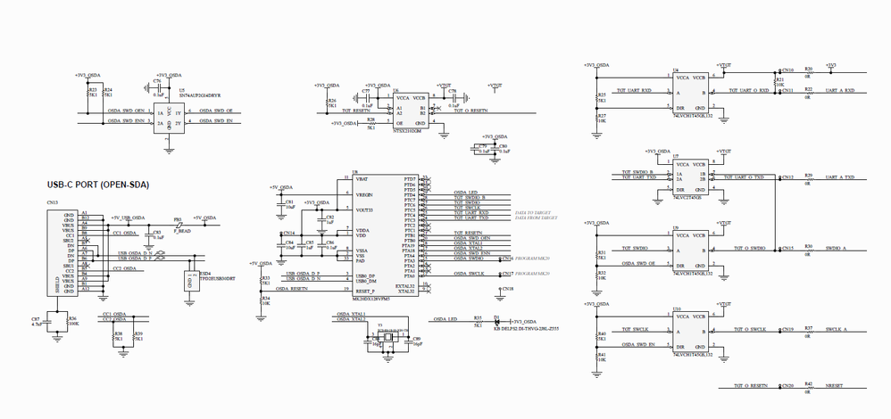
Here's the schematic:

Here's the reset pin:

And here's the J-Link commander text:
SEGGER J-Link Commander V6.80b (Compiled Jun 5 2020 17:41:24)
DLL version V6.80b, compiled Jun 5 2020 17:40:22
Connecting to J-Link via USB...O.K.
Firmware: J-Link Lite-Cortex-M V8 compiled Sep 15 2016 12:05:01
Hardware version: V8.00
S/N: 518109715
License(s): GDB
VTref=3.313V
Type "connect" to establish a target connection, '?' for help
J-Link>connect
Please specify device / core. <Default>: MK20DX128XXX5
Type '?' for selection dialog
Device>MK20DX128XXX5
Please specify target interface:
J) JTAG (Default)
S) SWD
T) cJTAG
TIF>S
Specify target interface speed [kHz]. <Default>: 4000 kHz
Speed>100
Device "MK20DX128XXX5" selected.
Connecting to target via SWD
InitTarget()
Found SW-DP with ID 0x2BA01477
Unknown DP version. Assuming DPv0
Scanning AP map to find all available APs
AP[2]: Stopped AP scan as end of AP map has been reached
AP[0]: AHB-AP (IDR: 0x24770011)
AP[1]: JTAG-AP (IDR: 0x001C0000)
Iterating through AP map to find AHB-AP to use
AP[0]: Core found
AP[0]: AHB-AP ROM base: 0xE00FF000
CPUID register: 0x410FC241. Implementer code: 0x41 (ARM)
Found Cortex-M4 r0p1, Little endian.
FPUnit: 6 code (BP) slots and 2 literal slots
CoreSight components:
ROMTbl[0] @ E00FF000
ROMTbl[0][0]: E000E000, CID: B105E00D, PID: 000BB000 SCS
ROMTbl[0][1]: E0001000, CID: B105E00D, PID: 003BB002 DWT
ROMTbl[0][2]: E0002000, CID: B105E00D, PID: 002BB003 FPB
ROMTbl[0][3]: E0000000, CID: B105E00D, PID: 003BB001 ITM
ROMTbl[0][4]: E0040000, CID: B105900D, PID: 000BB9A1 TPIU
Cortex-M4 identified.
J-Link>unlock kinetis
Found SWD-DP with ID 0x2BA01477
Unlocking device...O.K.
J-Link>erase
**************************
WARNING: CPU could not be halted
**************************
Erasing device...
**************************
WARNING: T-bit of XPSR is 0 but should be 1. Changed to 1.
**************************
****** Error: Failed to download RAMCode.
Failed to prepare for programming.
Failed to download RAMCode!
ERROR: Erase returned with error code -1.
J-Link>r
Reset delay: 0 ms
Reset type NORMAL: Resets core & peripherals via SYSRESETREQ & VECTRESET bit.
Reset: Halt core after reset via DEMCR.VC_CORERESET.
Reset: Reset device via AIRCR.SYSRESETREQ.
AfterResetTarget()
J-Link>erase
Erasing device...
J-Link: Flash download: Total time needed: 4.053s (Prepare: 1.254s, Compare: 0.000s, Erase: 1.991s, Program: 0.000s, Verify: 0.000s, Restore: 0.806s)
J-Link: Flash download: Total time needed: 2.082s (Prepare: 0.962s, Compare: 0.000s, Erase: 0.561s, Program: 0.000s, Verify: 0.000s, Restore: 0.558s)
Erasing done.
J-Link>loadbin C:\Users\xyz\Downloads\k20dx_mimxrt1020_evk_qspi_if_crc20180312.bin
Syntax: loadbin <filename>, <addr>
J-Link>loadbin C:\Users\xyz\Downloads\k20dx_mimxrt1020_evk_qspi_if_crc20180312.bin,0x0
Downloading file [C:\Users\xyz\Downloads\k20dx_mimxrt1020_evk_qspi_if_crc20180312.bin]...
J-Link: Flash download: Bank 0 @ 0x00000000: 2 ranges affected (65536 bytes)
J-Link: Flash download: Total: 11.138s (Prepare: 1.198s, Compare: 0.329s, Erase: 0.026s, Program & Verify: 8.780s, Restore: 0.803s)
J-Link: Flash download: Program & Verify speed: 7 KB/s
O.K.
J-Link>r
Reset delay: 0 ms
Reset type NORMAL: Resets core & peripherals via SYSRESETREQ & VECTRESET bit.
Reset: Halt core after reset via DEMCR.VC_CORERESET.
Reset: Reset device via AIRCR.SYSRESETREQ.
AfterResetTarget()
J-Link>g
J-Link>