Hello,
Until now, I used MKW21D512VHA5 MCU for communication on 802.15.4 protocol. It works great. For supply reasons, I now have to use MKW22D512VHA5 MCU, which is basically the same but has a USB peripheral (that I won't use). Both processors are pin-compatible.
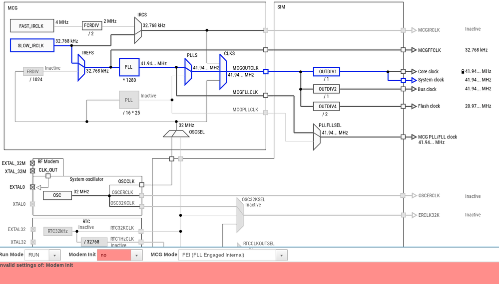
My problem is that since I switched from one processor to the other, I observe a massive difference in the frequency of the clock used as system clock (the clock frequency is 50% smaller with the MKW22 processor). This clock is generated from the low internal reference clock (low IRCLK).
The problem is that I can't communicate by UART anymore because of this behavior.
For both processors, the source code is exactly the same, the only difference is the SDK library that I built with MCUXpresso online tool.
Here is a screen shot of my clock configuration (exactly the same configuration for both processors :


What are the difference between both processors ? Should I disable something linked with the USB peripheral in order to fix my bug ?
Thank you for your help,
Best regards,
Matthieu.