Hi,
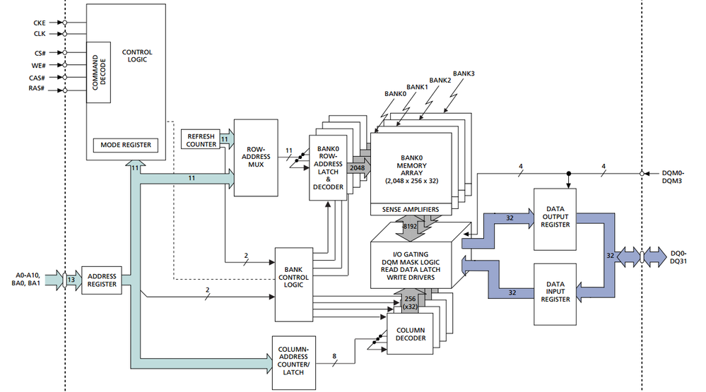
TWR-K65F180M board is using MT48LC2M32B2P-5 SDRAM, which block diagram could be found below:

Customer could find TWR-K65F180M board schematics from here.
Wish it helps.
Have a great day,
Ma Hui
-----------------------------------------------------------------------------------------------------------------------
Note: If this post answers your question, please click the Correct Answer button. Thank you!
-----------------------------------------------------------------------------------------------------------------------