Hi Mark,
Thank you for the information - I think we're talking about the same thing.
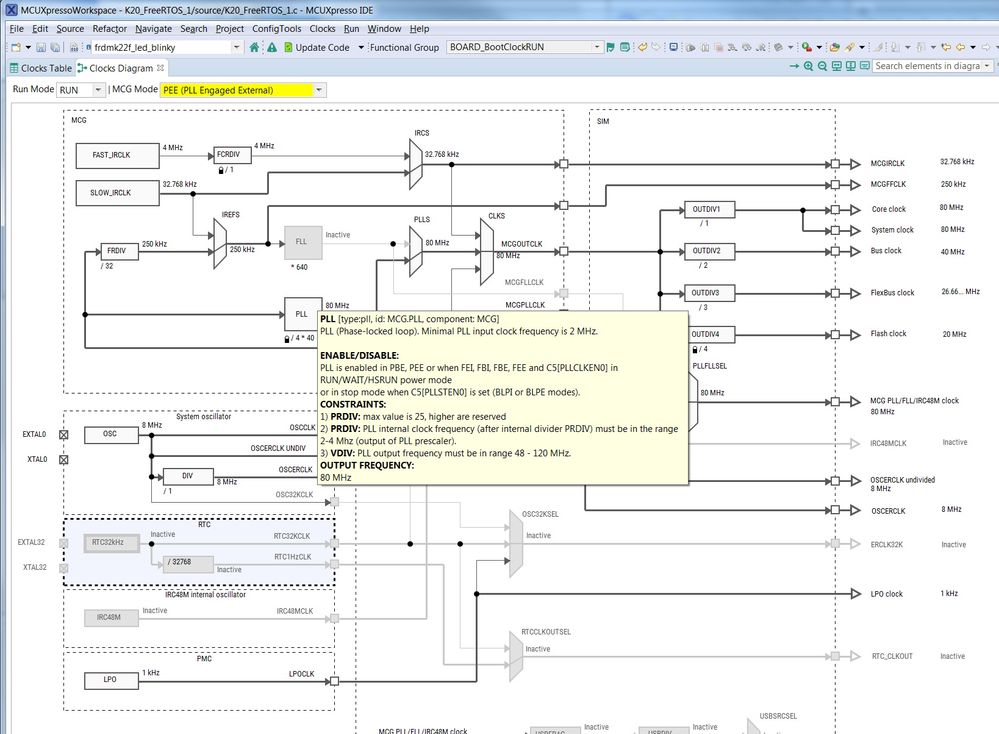
In the screen shot below, you can see you get a pop-up when you hover over the "PLL" Module (which seems to incorporate the "PRDIV" and "MCG_C6 (VDIV0) PLL" in the utasker page you referenced).

When I look in the K22 reference manual, I guess I go by "Figure 5-1. Clocking Diagram " in which there is the "PLL" box (same as the MCUXpresso diagram above) which corresponds to nothing I can cross reference in the document BUT, if I look at the utasker diagram, I can see registers MCG_5 (which houses the PRDIV0 "PLL External Reference Divider" bits) and MCG_6 (which houses the VIVO "VC0 Divider" bits which is unfortunately described as a divider when in it actually multiplies the signal coming in).
So, if I'm correctly comprehending what's provided by the reference manual, MCUXpresso and the utasker web page, the PRDIV0 bits divide the clock coming from XTAL0/EXTAL0 to 1 to 1/25th of its frequency, BUT the output must be between 2 MHz and 4 MHz (which means that for an 8 MHz crystal, like what's used on the FRDM-K22F, this can be 2 or 4), and the VDIV0 bits provide a multiplication factor of 24 to 55. The output of the "PLL" module (as NXP calls it) must be between 48 MHz and 120 MHz. Along with this, the "lock" symbol indicates that the timing is only accurate when the "LOCK0" bit is set in the MCG_S register - looking at the SDK code, the LOCK0 bit is polled in "CLOCK_EnablePll0" before it returns, where you would expect it to be.
As I will be using an 8 MHz clock in my K22 based product, like the FRDM-K22F, that means that I want to run in "PEE" mode with the PRDIV0 at 2 and the VDIV0 at 30, like was discussed before.
Anything you can see that is missing here?
Thank you for providing the link to the utasker page - that really helped cement what is happening here.
myke