Our HW team decided to use the TI Audio Codec TLV320AIC3107 on one of the boards (utilizing EDM1-IMX6PLUS module from TechNexion) mainly because of the Class D amplifier. I tried to use the /sound/soc/codecs/tlv320aic3x.c codec and the /sound/soc/fsl/imx-tlv320aic3x.c machine driver. In the DTS file, the codec was configured to be compatible with tlv320aic3007 (3007 and 3107 are similar and the functionality I need is covered by the 3007 driver). All power supplies are connected directly to the power sources and we are using a gpio pin to drive the reset pin (gpio6 3)
The first issue was that the following message was shown during boot:
tlv320aic3x-codec 2-0018: Failed to init class D: -5
Attaching an oscilloscope to the i2c lines and the reset pin showed that the reset was always set to 0 during boot up. I found out that in the “probe” function, the reset pin was only configured to output but its value was never set. So I made the following two modifications to release the RESET in the probe function and to activate it on power down:
diff --git a/sound/soc/codecs/tlv320aic3x.c b/sound/soc/codecs/tlv320aic3x.c
index 76bc41b..d805b74 100644
--- a/sound/soc/codecs/tlv320aic3x.c
+++ b/sound/soc/codecs/tlv320aic3x.c
@@ -1370,6 +1370,12 @@
regcache_cache_only(aic3x->regmap, true);
ret = regulator_bulk_disable(ARRAY_SIZE(aic3x->supplies),
aic3x->supplies);
+
+ if (gpio_is_valid(aic3x->gpio_reset)) {
+ udelay(1);
+ gpio_set_value(aic3x->gpio_reset, 0);
+ }
+
}
out:
return ret;
@@ -1758,6 +1764,9 @@
if (ret != 0)
goto err;
gpio_direction_output(aic3x->gpio_reset, 0);
+ gpio_set_value(aic3x->gpio_reset, 0);
+ udelay(1);
+ gpio_set_value(aic3x->gpio_reset, 1);
}
for (i = 0; i < ARRAY_SIZE(aic3x->supplies); i++)
This removed the “Failed to init class D: -5" error message but when trying to play a simple wav file "aplay Front_Center.wav", the command just hung and never finished. Trying different settings in the DTS didn’t help and I tried to look for another machine driver. Luckily I found an alternative machine driver which worked out of the box:
https://github.com/Ansync/kernel-tgif/blob/master/sound/soc/fsl/imx-tlv320aic3x.c
The DTS settings are:
/ {
sound {
compatible = "fsl,imx-audio-tlv320aic3x";
model = "tlv320aic3007";
ssi-controller = <&EDM1_AUD_I2S_CHANNEL>;
cpu-dai = <&EDM1_AUD_I2S_CHANNEL>;
audio-codec = <&codec>;
audio-routing =
"Ext Spk", "SPOP",
"Ext Spk", "SPOM",
"Line Out Jack", "LLOUT",
"Line Out Jack", "RLOUT";
mux-int-port = <EDM1_AUD_MUX_INT>;
mux-ext-port = <EDM1_AUD_MUX_EXT>;
};
};
&i2c3 {
status = "okay";
codec: tlv320aic310x@18 {
compatible = "ti,tlv320aic3007";
reg = <0x18>;
gpio-reset = <&gpio6 3 GPIO_ACTIVE_LOW>;
clocks = <&EDM1_AUD_CLK_SRC>;
status = "okay";
};
};
&ssi1 {
fsl,mode = "i2s-master";
status = "okay";
};
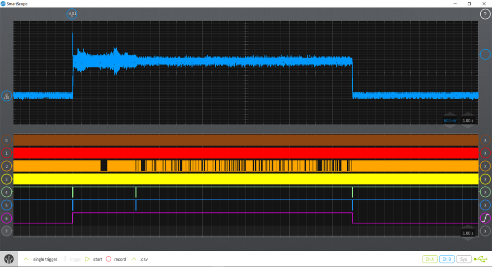
Finally sound was played out of the speaker. The picture below is a snapshot of the oscilloscope screen. The signals are:
- The Analog line is the audio output
- Digital 4 is i2c clock
- Digital 5 is i2c data
- Digital 6 is the reset pin
