Hello,
We use SMSC's LAN8720A as RMII PHY on i.MX6solo and currently having problem with
send & receiving packets(Checking at U-boot).
U-Boot > ping 192.168.100.1
eth_halt: wait for stop regs
eth_halt: done
Trying FEC
fec_tbd_init
Using FEC device
fec_send: status 0x8c00 index 0 ret -22
fec_recv: ievent 0x0
fec_recv: status 0x8000
fec_recv: stop
fec_recv: ievent 0x0
fec_recv: status 0x8000
fec_recv: stop
...
First of all, normally which cause "eth_halt: wait for stop regs" at the beginning?
By looking at code, fec_send function stuck at below two points and return error codes,
| while (--timeout) { |
| | if (!(readl(&fec->eth->x_des_active) & FEC_X_DES_ACTIVE_TDAR)) |
| | break; | |
}
| if (readw(&fec->tbd_base[fec->tbd_index].status) & FEC_TBD_READY) |
| | ret = -EINVAL; |
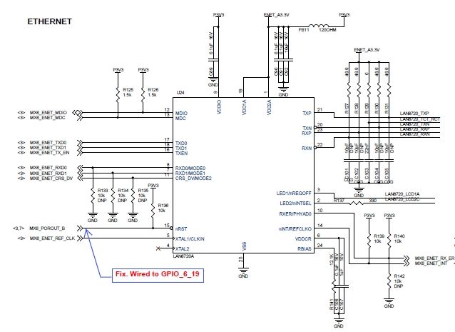
Here's our IOMUX configuration and schematics
Needs help for fix this problem step by step.
iomux_v3_cfg_t const enet_pads[] = {
MX6_PAD_ENET_MDC__ENET_MDC | MUX_PAD_CTRL(ENET_PAD_CTRL),
MX6_PAD_ENET_MDIO__ENET_MDIO | MUX_PAD_CTRL(ENET_PAD_CTRL),
MX6_PAD_ENET_RXD0__ENET_RDATA_0 | MUX_PAD_CTRL(ENET_PAD_CTRL),
MX6_PAD_ENET_RXD1__ENET_RDATA_1 | MUX_PAD_CTRL(ENET_PAD_CTRL),
MX6_PAD_ENET_CRS_DV__ENET_RX_EN | MUX_PAD_CTRL(ENET_PAD_CTRL),
// MX6_PAD_ENET_RX_ER__ENET_RX_ER | MUX_PAD_CTRL(ENET_PAD_CTRL),
MX6_PAD_ENET_RX_ER__GPIO_1_24 | MUX_PAD_CTRL(NO_PAD_CTRL),
/* FEC Intterupt */
MX6_PAD_ENET_REF_CLK__GPIO_1_23 | MUX_PAD_CTRL(NO_PAD_CTRL),
MX6_PAD_ENET_TXD0__ENET_TDATA_0 | MUX_PAD_CTRL(ENET_PAD_CTRL),
MX6_PAD_ENET_TXD1__ENET_TDATA_1 | MUX_PAD_CTRL(ENET_PAD_CTRL),
MX6_PAD_ENET_TX_EN__ENET_TX_EN | MUX_PAD_CTRL(ENET_PAD_CTRL),
/* clock from anatop */
MX6_PAD_GPIO_16__ENET_ANATOP_ETHERNET_REF_OUT | MUX_PAD_CTRL(ENET_PAD_CTRL),
/* LAN8720A PHY Reset */
MX6_PAD_RGMII_TXC__GPIO_6_19 | MUX_PAD_CTRL(NO_PAD_CTRL),
};

Thanks in advance,
Jay