uboot - imx9 Ethernet FEC with qca8337

cancel
Showing results for 
Show  only  | Search instead for 
Did you mean: 

uboot - imx9 Ethernet FEC with qca8337

Jump to solution
936 Views
DavidFlir
Contributor III

For an iMX91 processor I fail to initialize the FEC ethernet.

1st in the .dtsi

&lpi2c3 {
	bootph-pre-ram;
	bootph-some-ram;
	pca95x: gpio@38 {
			compatible = "nxp,pca9554";
			reg = <0x38>;
			pinctrl-names = "default";
			gpio-controller;
		};

};

&fec {
	compatible = "fsl,imx91-fec", "fsl,imx93-fec", "fsl,imx8mq-fec";
	phy-reset-gpios = <&pca95x 1 GPIO_ACTIVE_LOW>;
	phy-reset-duration = <15>;
	phy-reset-post-delay = <100>;
};


 Then in the .dts

/* Ethernet device */

&fec {
	phy-handle = <&ethphy1>;
	phy-mode = "rgmii";
	pinctrl-0 = <&pinctrl_fec>;
	pinctrl-1 = <&pinctrl_fec_sleep>;
	pinctrl-names = "default", "sleep";
	status = "okay";

	compatible = "qca,qca8337";
	reset-gpios = <&pca9554 1 GPIO_ACTIVE_LOW>; // pin number 1 on mux PCA9554
	reg = <0x10>;
	ports {
		#address-cells = <1>;
		#size-cells = <0>;
		ethphy1: ethernet-phy@2 {
			reg = <0>;
			label = "cpu";
			// ethernet = <&gmac0>; // to do
			phy-mode = "rgmii";
			fixed-link {
				speed = <1000>;
				full-duplex;
			};
		};
	};
};

 

In have the uboot debug enable for gpio-uclass.c and see in the console

gpio_request_tail: Node 'ethernet@42890000', property 'phy-reset-gpios', failed to request GPIO index 0: -16

FEC MXC: Timeout resetting chip


So it look like configuration for the 'phy-reset-gpios' is not correct  
And the Timeout from the reset...

Later uin uboot I get

Warning: ethernet@42890000 (eth0) using random MAC address - 6a:f5:a4:67:87:8d
eth0: ethernet@42890000

but trying a dhcp result in a coredump.

Any hints are welcome.


I also tried the dts example code like this, but that gives even more errors like `Could not get PHY for FEC0: addr 16`

&fec {
	phy-mode = "rgmii";
	pinctrl-0 = <&pinctrl_fec>;
	pinctrl-1 = <&pinctrl_fec_sleep>;
	pinctrl-names = "default", "sleep";
	fsl,magic-packet;
	status = "okay";

	mdio {
			#address-cells = <1>;
			#size-cells = <0>;
			clock-frequency = <2500000>;

			switch@10 {
				compatible = "qca,qca8337";
				reg = <0x10>;
				ports {
						#address-cells = <1>;
						#size-cells = <0>;

						port@0 {
								reg = <0>;
								label = "cpu";
								ethernet = <&fec>;
								phy-mode = "rgmii";

								fixed-link {
										speed = <1000>;
										full-duplex;
								};
						};
					};
			};
	};
};

 

Tags (2)
0 Kudos
Reply
1 Solution
442 Views
DavidFlir
Contributor III

I have solved this issue with removing the line

pinctrl-1 = <&pinctrl_fec_sleep>;

from the dts.. 

It seems the pins were configured for sleeping.

View solution in original post

0 Kudos
Reply
8 Replies
443 Views
DavidFlir
Contributor III

I have solved this issue with removing the line

pinctrl-1 = <&pinctrl_fec_sleep>;

from the dts.. 

It seems the pins were configured for sleeping.

0 Kudos
Reply
802 Views
DavidFlir
Contributor III

Additional info, the mdio communication seems ok.

fec_mdio_read: phy: 00 reg:02 val:0x1
fec_mdio_read: phy: 00 reg:03 val:0xd036
fec_mdio_write: phy: 00 reg:00 val:0x8000
fec_mdio_read: phy: 00 reg:00 val:0xffff
fec_mdio_read: phy: 00 reg:00 val:0xffff
fec_mdio_read: phy: 00 reg:00 val:0xffff
fec_mdio_read: phy: 00 reg:00 val:0xffff
fec_mdio_read: phy: 00 reg:00 val:0xffff
fec_mdio_read: phy: 00 reg:00 val:0x3100
fec_mdio_read: phy: 00 reg:01 val:0xffff
fec_mdio_read: phy: 00 reg:0f val:0x2000
fec_mdio_read: phy: 00 reg:04 val:0xffff
fec_mdio_write: phy: 00 reg:04 val:0xf1ff
fec_mdio_read: phy: 00 reg:01 val:0x7949
fec_mdio_read: phy: 00 reg:09 val:0xffff
fec_mdio_write: phy: 00 reg:09 val:0xfeff
fec_mdio_read: phy: 00 reg:00 val:0x3100
fec_mdio_write: phy: 00 reg:00 val:0x3300


u-boot=> mdio list
FEC0:
0 - Generic PHY <--> ethernet@42890000
0 Kudos
Reply
709 Views
joanxie
NXP TechSupport
NXP TechSupport

based on the print information, mdio recognize the PHY under FEC0, but I checked your dts, I suggest that you can refer to the imx91 dtsi files, you need add phy-handle in the fec node, and the driver for fec is compatible = "fsl,imx91-fec", "fsl,imx8mp-fec", "fsl,imx8mq-fec";

&fec {
pinctrl-names = "default";
pinctrl-0 = <&pinctrl_fec>;
phy-mode = "rgmii-id";
phy-handle = <&ethphy2>;
fsl,magic-packet;
status = "okay";

mdio {
#address-cells = <1>;
#size-cells = <0>;
clock-frequency = <5000000>;

ethphy2: ethernet-phy@2 {
reg = <2>;
eee-broken-1000t;
};
};
};

and you also can refer to the enclosed file for how to configure rgmii mode, in your first dts,  the reg should be 2

ethphy1: ethernet-phy@2 {
			reg = <0>;

 

0 Kudos
Reply
911 Views
joanxie
NXP TechSupport
NXP TechSupport

which bsp version do you use? let me double check it

0 Kudos
Reply
907 Views
DavidFlir
Contributor III
I am compiling uboot on branch lv_v2025.04 https://github.com/nxp-imx/uboot-imx.
Then I generate my flash.bin with mkimage.

I am actually doubting if there is support for the qualcom pca8337 in uboot..
0 Kudos
Reply
883 Views
joanxie
NXP TechSupport
NXP TechSupport

how did you connect qca8337 with your imx91 on HW? pls share the HW connection, let me double check it

0 Kudos
Reply
776 Views
DavidFlir
Contributor III

The first important measurement was on the MDIO line where the configuration steps take place of the Phy.  There was no data and a terrible clock signal.

We did not have a pull-up resistor on MDIO, adding a 1k5 resistor initiated the communication.

Now I see some terrible communication... which fails every 2nd try.

u-boot=> mii read 0 1
fec_mdio_read: phy: 00 reg:01 val:0x7949
7949
u-boot=> mii read 0 1
fec_mdio_read: phy: 00 reg:01 val:0xffff
FFFF
u-boot=> mii read 0 1
fec_mdio_read: phy: 00 reg:01 val:0x7949
7949
u-boot=> mii read 0 1
fec_mdio_read: phy: 00 reg:01 val:0xffff
FFFF
u-boot=> mii read 0 1
fec_mdio_read: phy: 00 reg:01 val:0x7949
7949


So the data 0x7949 is correct, but only every 2nd read... So there is still something wrong there. The data should be always readable without a retry!

0 Kudos
Reply
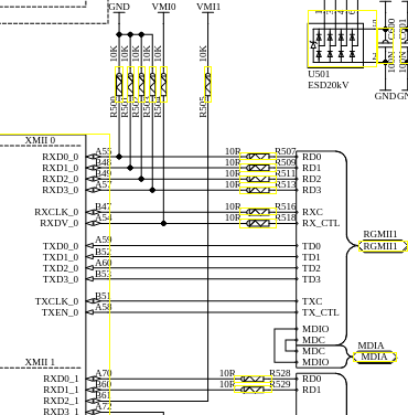
834 Views
DavidFlir
Contributor III

Attached you can see the qca8337 and the imx91 connecting part...  No idea if this would give you any additional insight.

Imx91_part.png

qca8337N.png


What I can add is that I measured the `RX_CLK0` on the qca8337 chip and there is not coming anything in... so communication is impossible. On the other hand the clock for the qca is 25Mhz oscillator and is ok (As well as the Reset signal is not pulled low and measures ok).

0 Kudos
Reply