

Hi igorpadykov,
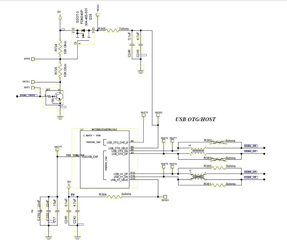
Thanks your good support , up is our project about USB signal part .
1. Our USB not with OTG function ,
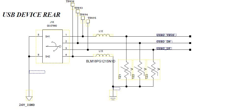
2. Signal USB_OTG_DN/USB_OTG_DP connect to USB type B connector directly as a device .
3. First time power up ; 1. if not connect USB cable to computer , the USB_OTG_VBUS =0V .
2. if connect USB cable to computer ,the USB_OTG_VBUS =5V , then if remove the
USB cable from computer ,the USB_OTG_VBUS=4.4V( Generallly , if remove the USB
USB cable from computer , the USB_OTG_VBUS should be 0V) so please help to check
why the USB_OTG_VBUS still output 4.4V if remove the USB cable from computer ?