Hi!
We have working custom pcb with IMX6ULL based on reference design (number 29364) with only 9 components placed on bottom side of pcb:

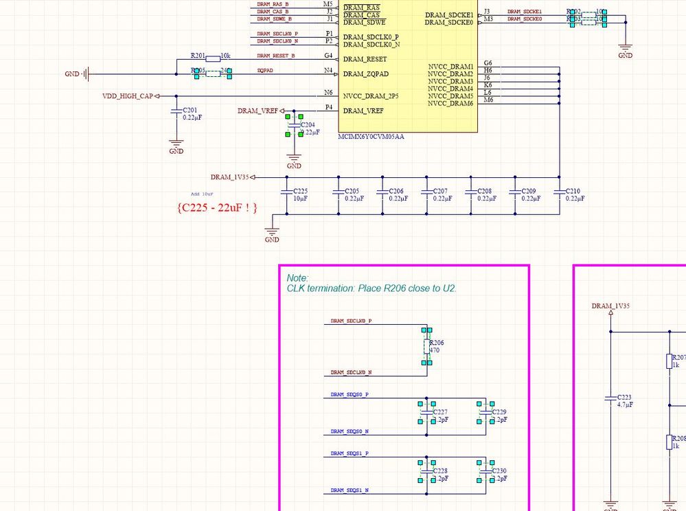
There are DDR3 relative parts:

So, I am wondering can I move this components:
- C204 decoupling capacitor for DRAM_VREF;
- R202, R203, R205 resistors that ties to gnd DRAM_SDCKE1, DRAM_SDCKE0 and ZQPAD signals;
- R206 that terminates DRAM_SDCLK0_P and DRAM_SDCLK0_N signals (increases traces length);
- C227, C229, C228 and C230 that terminates DRAM_SDQS0_P, DRAM_SDQS0_N, SDQS1_P and SDQS1_N
little bit away from their current position to place them on top side of pcb? We want to reduce soldering price twice)