Hi Dears,
We have a problem with LCD colors in both Uboot and kernel. We use iMX6Solo with TI DS90UH925Q serilizer and DS90UH926Q Deserializer for connecting imx to TFT LCD.
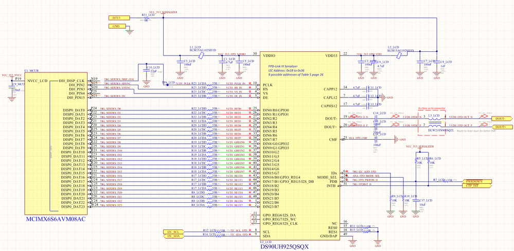
below image shows our schematic design of Serializer section.

Please see attached files for better image quality.
Also i have attached a screen shot of LCD.
we use table 66 of IMX6SDLAEC Rev. 8, 09/2017 to connecting imxsolo processor to serilizer.
is there any hardware issues to having such problem or it's a software issue?
is the IMX6Solo Linux support LCD 24-bit parallel interface?