I use the imx6q+KSZ8041FTLIphy chip, according to the official reference design of the RMII interface network,But there is a phenomenon of network packet loss.
Constantly power off and power off to test the packet loss phenomenon. I found that if there is a packet loss at a certain power-on, if it is not powered, it will continue to lose packets. This phenomenon may disappear if the power is turned off. However, there are several boards, the phenomenon is more serious, it may be tested several times, this phenomenon will occur, but some boards are difficult to test this problem.
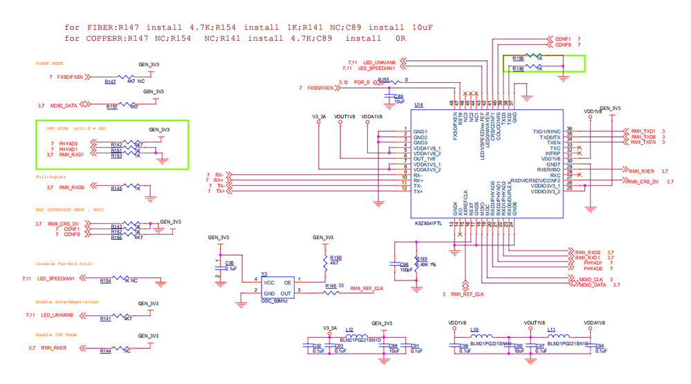
in the schematic,Y3 is not populated!



Now,I have solved this problem.The problem lies in the resistor R146. Although I did not use the external crystal Y3 which is not populated, but the resistor R146 was soldered to the board. After I removed the resistor, and continuously powered down and up the board to test the net 300 times. No packet loss occurred. I want to know why ?