Mil-std-1553

cancel
Showing results for 
Show  only  | Search instead for 
Did you mean: 

Mil-std-1553

2,607 Views
VeerappanP
Contributor I

Hi team,

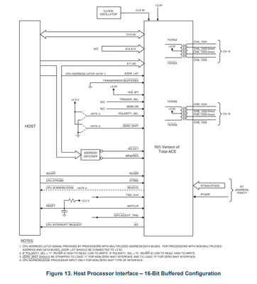
    In our project we use mil-std-1553 supported IC BU-64843-102, It is parallel interface, it have 16 bit data bus, 16 bit address bus and control signal. we need processor to interface this IC. The interface diagram is given below.

 

VeerappanP_0-1701147820798.png

 

 

Thanks,

Regard,

Veerappan P.

 

 

0 Kudos
Reply
5 Replies

2,576 Views
VeerappanP
Contributor I

Hi JorgeCastañeda,

       Thanks for your reply, Why this EIM(External interface module) is not present in i.mx 8 series processor. We require USB 3, gigabit ethernet and this EIM(External interface module) combined processor. Is there any way to interface IC BU-64843-102 to i.mx 8 series processor?

Thanks,

Regards,

Veerappan P.

0 Kudos
Reply

2,571 Views
JorgeCas
NXP TechSupport
NXP TechSupport

Hello,

There is no an specific reason about why this module was removed on i.MX8 and i.MX9 families. I think these processor families does not meet your requirements but, other option could be some Layerscape processors that includes USB 3.0, Gigabit Ethernet and an Integrated Flash Controller module to interface x8-/16-bit devices.

For example: Layerscape 1043A or1023A.

Best regards.

0 Kudos
Reply

2,560 Views
VeerappanP
Contributor I

Hi  JorgeCastañeda,

  But we require i.mx 8 series processor. Is there any way to interface?

Thanks,

Regards,

Veerappan P A.

0 Kudos
Reply

2,556 Views
JorgeCas
NXP TechSupport
NXP TechSupport

Hello,

Since there is not a specific module on i.MX8 family to interface parallel communication as happens with EIM on i.MX6 and i.MX7 families, maybe you could try to interface it through GPIO ports.

Best regards.

0 Kudos
Reply

2,584 Views
JorgeCas
NXP TechSupport
NXP TechSupport

Hello, I hope you are doing well.

You can take a look on i.MX6 or i.MX7 families since incorporates an EIM module to handle a parallel memory bus.

Best regards.

0 Kudos
Reply