Dear sir:
We are a third-party programmer manufacturer.
Currently testing programming the S32K328NHT1MJBSR.
After successfully programming the customer's file, the J-Link connects successfully,

but Erase fails.

If programming random code, erasing and programming can be repeated.
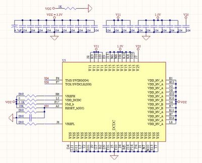
This is our programming circuit.

Do you have any suggestions?
Thanks