[S32K] Flash memory setting in VLPR Mode

キャンセル
次の結果を表示 
表示  限定  | 次の代わりに検索 
もしかして: 

[S32K] Flash memory setting in VLPR Mode

1,384件の閲覧回数
jingyinwong
Contributor I

Hi NXP team,

The reference manual of S32K mentions that it is necessary to disable the flash module before turning off FTFC clock prior to entering VLPR mode.

There is no flash driver de-initialize code available in S32 Design Studio. So, what is the right sequence to disable the flash module?

Also, how to verify that FLASH_CLK is already less than or equal to 1MHz?

Thank you.

Best regards,

Jing Yin

タグ(2)
0 件の賞賛
返信
1 返信

1,251件の閲覧回数
danielmartynek
NXP TechSupport
NXP TechSupport

Hi,
There is no need to disable the FTFC module before entering VLPR. The VLPR clock configuration must be done before the transition.
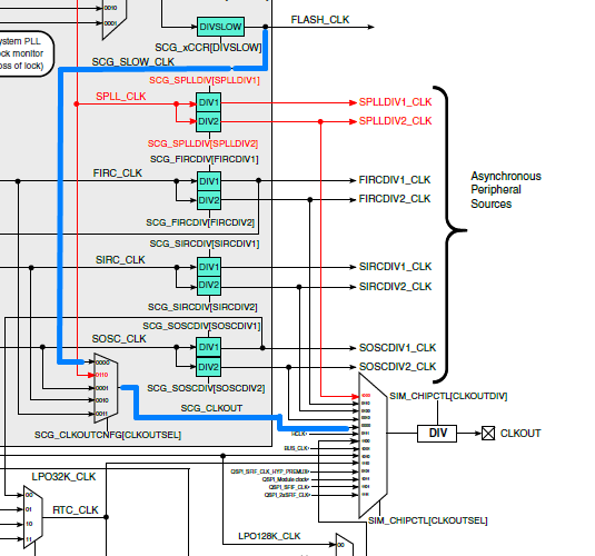
In VLPR, no FTFC commands of any type are available and the Flash clock is restricted to 1MHz or less.
The Flash clock can be monitored externally at a CLKOUT pin. Please see Figure 27-1 RM rev.9

pastedImage_1.png

Regards,
Daniel

0 件の賞賛
返信