S32DS version 2.2 Error

cancel
Showing results for 
Show  only  | Search instead for 
Did you mean: 

S32DS version 2.2 Error

Jump to solution
3,003 Views
sungjun
Contributor II

hello? NXP
I wonder if there is an errata for S32DS arm 2.2 version.
The S32DS I am currently using is shown in the photo below.
If you look at ProcessorExpert's clockMan, you can set DIV for Run/VLPR/HSRUN Mode in Interface clocks.

However, when I generate the value set through the UI, it does not match the value displayed in the actual code.
Is this an errata? Or is it handled separately by the sdk driver?

thank you

 

sungjun_0-1706674419683.png

sungjun_1-1706674455162.pngsungjun_2-1706674518933.png

 

 

0 Kudos
Reply
1 Solution
2,965 Views
Senlent
NXP TechSupport
NXP TechSupport

Hi@sungjun

This picture comes from S32 Design Platform V3.4 & RTM 4.0.X.

you have to install the above IDE and SDK then you can see the picture in clock setting page.

 

View solution in original post

0 Kudos
Reply
9 Replies
2,997 Views
Senlent
NXP TechSupport
NXP TechSupport

Hi@sungjun

Only the files in this folder are configuration files generated by S32 DS

Senlent_0-1706679455411.png

 

0 Kudos
Reply
2,989 Views
sungjun
Contributor II

I know. can you see above picture and compare SDK UI div value and c code.

0 Kudos
Reply
2,985 Views
Senlent
NXP TechSupport
NXP TechSupport

Hi@sungjun

ok, could you please tell me the name of the file in the picture your provided and the SDK version you're using?

0 Kudos
Reply
2,982 Views
sungjun
Contributor II

File name : clockMan1.c

Sdk : 

S32 Design Studio for ARM

Version: 2.2
Build id: 200116

Copyright Freescale Semiconductor 2016. All rights reserved.
Copyright 2017-2020 NXP

Visit http://www.nxp.com/


This product includes software developed by the Eclipse Foundation http://www.eclipse.org/

This product includes software developed by the Apache Software Foundation http://apache.org/

 

The related information was written using the photo in the first question. Can't you see it?

0 Kudos
Reply
2,977 Views
Senlent
NXP TechSupport
NXP TechSupport

Hi@sungjun

I see no problem here

Senlent_1-1706683065752.png

 

0 Kudos
Reply
2,973 Views
sungjun
Contributor II

The question was why the Div numbers in the photos were different.

sungjun_0-1706683220110.png

After checking again, it appears that the SDK UI is a DIV based on SPLL and clockMan1.c is a DIV based on the system clock.

It is also divided into SYS_CLK in RM's Blockdiagram.
Is that right?

 

sungjun_1-1706683651150.png

 

 

0 Kudos
Reply
2,971 Views
Senlent
NXP TechSupport
NXP TechSupport
0 Kudos
Reply
2,967 Views
sungjun
Contributor II

Thanks to you, my problem was solved.
I would like to ask one more question.
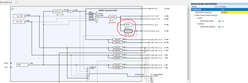
I also want to check like the picture below, where is the data?

sungjun_0-1706684318049.png

 

0 Kudos
Reply
2,966 Views
Senlent
NXP TechSupport
NXP TechSupport

Hi@sungjun

This picture comes from S32 Design Platform V3.4 & RTM 4.0.X.

you have to install the above IDE and SDK then you can see the picture in clock setting page.

 

0 Kudos
Reply