Hello,
I am interesting in dual core function based on s32k358, is there any related documents or example that I can check?
I would start from the reading of reference manual and the RTD example projects.
For example MCU module:

The following MCU setting is my project now, I think I use core2 only, I want to know if I want some tasks run at core1 and some run at core2, what should I do?
Well, this is application dependent.
Basically you can write simple scheduler which will execute function on selected core.
Or you can use OS, which will assign the task and resources to the core.
It really depends on how optimized you like to have the code.
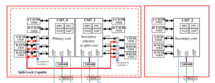
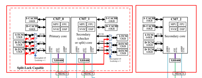
The other question is Can I run a project with lock-step and dual-core functions in the same time?
Yes, as you can see there are 3 cores. Two are lockstep and 1 separated.

Best regards,
Peter