u-boot ddr ram initialization

cancel
Showing results for 
Show  only  | Search instead for 
Did you mean: 

u-boot ddr ram initialization

Jump to solution
22,048 Views
0xEC
Contributor IV

hi everyone,

i am working on s32g2 series SoC. I have a53 cores which run embedded linux. i compile linux using yocto build environment which also compiles u-boot and using it on target. i have generic question that how u-boot initialize DDR ram integrated in target? in what order the u-boot functions are called i mean entry point of u-boot?

do you have any suggestion which helps me on understanding of working principles of u-boot, board initalization etc.

thanks in advance

best,

0 Kudos
Reply
1 Solution
21,569 Views
0xEC
Contributor IV

new update:

i could initialize DDR 2GB version by using following configuration in s32ds DDR config tool

0xEC_0-1691671016118.png

which is taken from s32_lpddr4_configuration_test_app_v4_20220120_Eng.pdf documentation. 

ATF works fine and can initialize LPDDR4 2GB and can boot u-boot, u-boot is also working with no problem, but the new problem is as follows: while loading kernel it prints following logs and stucks 

0xEC_1-1691671158119.png

i will try to solve this problem now, may be we can close this ticket if you have an idea that it is not related with DDR initialization anymore @MayanksPatel ,

Thanks for your support,

best,

 

View solution in original post

0 Kudos
Reply
24 Replies
20,906 Views
MayanksPatel
NXP Employee
NXP Employee

Hi @0xEC,

The best way to generate DDR configuration, you have to generate a new DDR configuration code based on your design.

Click the Help button in the S32DS DDR Tool for detailed help information.

Please find the attached image for your reference.

 

Thanks,

Mayank s Patel

0 Kudos
Reply
20,902 Views
0xEC
Contributor IV
hi @MayaksPatel,
Thanks for reply,
actually i used s32ds to change initialization code for DDR in ATF, and i generate initialization codes and replaced the generated files with old ones which were used for 4GB DDR. but still the 2gb DDR ram version hardware not booting u-boot, it stucks at ATF. i asked other questions to change start address of U-Boot and i found some information which says SYS_TEXT_BASE and SYS_DATA_BASE must be change according to new RAM address range, but i still could not boot u-boot while initialization of DDR ram system stuck, i will try to get help from s32ds DDR tool.
best,
0 Kudos
Reply
20,894 Views
MayanksPatel
NXP Employee
NXP Employee

Hi @0xEC,

Before proceeding further, I need to make sure that all the basic settings are correct.

Please help share the following information:

1.Schematic diagram (including S32G DRAM port and LPDDR4 schematic diagram)

2.LPDDR4 part number and datasheet

3.Screenshot of S32DS “DDR View” page

4.Screenshots of "Init", "Diags", "operational", "shmoo" test results in the "Validation" window

 

Thanks,

Mayank s Patel

0 Kudos
Reply
21,570 Views
0xEC
Contributor IV

new update:

i could initialize DDR 2GB version by using following configuration in s32ds DDR config tool

0xEC_0-1691671016118.png

which is taken from s32_lpddr4_configuration_test_app_v4_20220120_Eng.pdf documentation. 

ATF works fine and can initialize LPDDR4 2GB and can boot u-boot, u-boot is also working with no problem, but the new problem is as follows: while loading kernel it prints following logs and stucks 

0xEC_1-1691671158119.png

i will try to solve this problem now, may be we can close this ticket if you have an idea that it is not related with DDR initialization anymore @MayanksPatel ,

Thanks for your support,

best,

 

0 Kudos
Reply
19,882 Views
shanlan123
Contributor II
HI 0xEC
have you solve this problem?
0 Kudos
Reply
19,602 Views
0xEC
Contributor IV

hi shanlan123,

sorry i saw your comment now,

Yes i solved the problem. The problem was that the SYS_TEXT_BASE and SYS_DATA_BASE must be updated in U-Boot source according to new RAM size. And also in ATF, S32_DDR0_END value must be updated and kept sync with previous values. in my case, i shifted text and data bases from 0xffaa0000 to 0xefaa0000 and 0xffa00000 to 0xefa00000, and ddr end address from 0xffffffff to 0xefffffff. This is required because we shrink the DDR ram size and U-boot needs to be placed in DDR ram so we must shift entry point for U-boot by above changes.

Best,

 

0 Kudos
Reply
20,732 Views
MayanksPatel
NXP Employee
NXP Employee

Hi @0xEC,

I will investigate this problem and update you.

As this is a separate entity from DDR, can you please create a new ticket for this?

 

Thanks,

Mayank s Patel

20,729 Views
0xEC
Contributor IV
ok,
i will accept previous post as solution and create new ticket, thanks in advance,
0 Kudos
Reply
20,848 Views
0xEC
Contributor IV
to update this thread;
I have adapted the newly generated init code from DDR RAM tool from S32DS, I debug code via lots of printfs and i got that, in ddr_utils_mmio.c file there is a function call namely get_mail(&mail) which is passed to variable with reference and inside this function, there is an register read which returns 0xFF which means training failure in source code and my ATF stucks after this failure.
Best,
0 Kudos
Reply
20,880 Views
0xEC
Contributor IV

hi @MayanksPatel 

Thanks for reply,

for your questions,

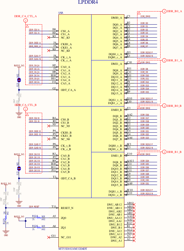
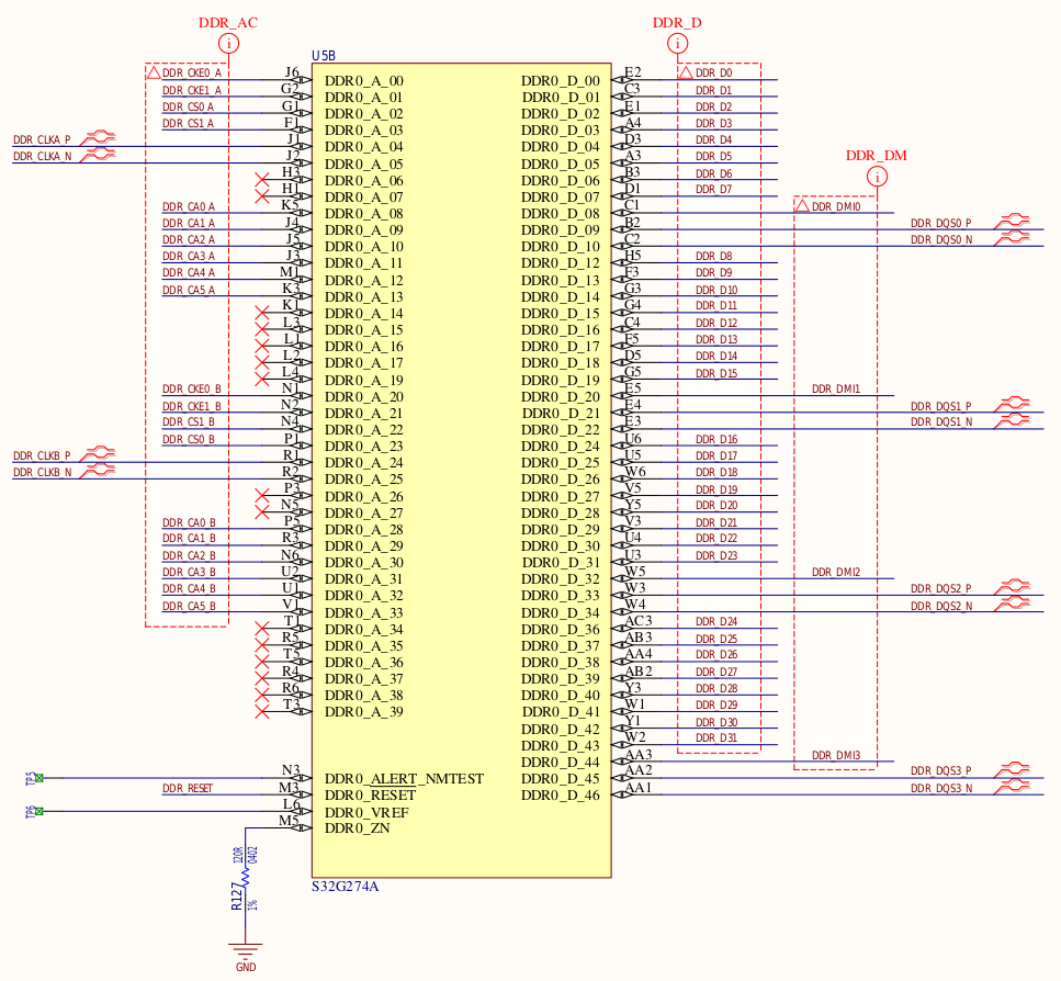
1-) Schematic diagram of DDR Port and LPDDR4 is as follows:

DDR connection1DDR connection1DDR connection2DDR connection2DDR connection3DDR connection3

2)LPDDR4 part number is MT53D512M32D2, which is same chip but 2GB version used in S32G274-RDB2 board (this board has 4GB RAM whose part number is MT53D1024M32D4)

3)DDR view screen shot is:

DDR device infoDDR device info

4) "init", "diags", "operational" and "shmoo" test results screen shots are:

DDR_Diags_test_resultDDR_Diags_test_resultDDR_init_test_resultDDR_init_test_resultDDR_operational_test_resultDDR_operational_test_resultDDR_shmoo_testDDR_shmoo_test

i changed density per channel parameter to 2GB and by that way all test are passed as you can see in above screen shots,

all information that you want are given, please let me know if you need any additional information,

Thanks in advance, 

Best,

0 Kudos
Reply
20,815 Views
MayanksPatel
NXP Employee
NXP Employee

Hi @0xEC,

It seems that there is a problem with your configuration, please try the following configuration and share the test results here.

DDR_Configuration.png

0 Kudos
Reply
20,775 Views
0xEC
Contributor IV

as i mentioned in previous reply, i changed just number of chip select parameter that you suggest to apply,

it generates init code and i adapted it to TF-A source code and it still could not initialize DDR ram.

i got more detail about the flow, the TF-A returns error code in ddr_init.c source code in execute_training(const struct ddrss_config* config) function which calls wait_firmware_execution()

and in this function there is an register read 

*mail = mmio_read_32(DDR_PHYA_APBONLY_UCTWRITEONLYSHADOW);
which returns 0xFF and in source code comment it says 0x07 is success 0xFF is failure
 
0xEC_0-1691666439883.png

 

best,
0 Kudos
Reply
20,806 Views
0xEC
Contributor IV

Hi @MayanksPatel,
After changing parameter that you describe, it fails even in init test, if i changed Number of Chip Selects used to 1, test passes. the result of configuration suggested by you is as follows:

mayenkPatelSuggestedConfig.png

best,

0 Kudos
Reply
21,210 Views
MayanksPatel
NXP Employee
NXP Employee

Hi @0xEC,

Ideally, u-boot doesn't initialize the DDR. DDR initialization is performed by the SPL(Secondary Program Loader).

you can refer more information from here: https://u-boot.readthedocs.io/en/stable/develop/spl.html

 

Hope this helps you.

 

Thanks,

Mayank s Patel

 

0 Kudos
Reply
21,202 Views
0xEC
Contributor IV

thank you for reply,

i may have misunderstood the concept, but if u-boot does not initialize DDR, so who is responsible for this initalization. i ask this question because i have s32g274a-rdb2 board which has 4GB DDR ram and it works with yocto image that i compile which includes u-boot also, i also have 2GB DDR ram and 4GB DDR ram target custom board. in custom boards, the 2GB one does not boot even u-boot there is no response, in 4GB ram custom board u-boot is booting but after u-boot count down board reset itself. the reason that i think u-boot initialize DDR ram, because of 2GB not responding in serial console.

is there any documents which explain boot sequence of s32g274a in a53 manner? i have lots of nxp documents but none of them explain anything about booting sequence in overview.

best,

0 Kudos
Reply
21,155 Views
MayanksPatel
NXP Employee
NXP Employee

Hi @0xEC,

The SPL(Secondary program loader.) is the part of u-boot source code.

Please find the attached document which guides you through the boot sequence for S32G2.

Also, the current Linux BSP, starting from BSP32, all support ATF(Arm Trusted Firmware) by default, so the bootloader will first load the ATF(Arm Trusted Firmware) into the internal SRAM, and then ATF(Arm Trusted Firmware) will initialize the external DDR, and ATF will be responsible for loading the u-boot code from eMMC/SDcard.

Hope this helps you.

 

Thanks,

Mayank s Patel

21,149 Views
0xEC
Contributor IV

@MayanksPatelthanks for reply
I have been investigating on ATF, u-boot and linux kernel booting in yocto image, i partially understood the boot stages thank you for clearance, one thing that i wonder that, i have custom board s32g274a SoC and 2GB DRAM, even if DRAM could not be initialize ATF must be boot up right? and i should see some serial log on uart from ATF? but i could not see anything in this configuration. Do you have any suggestion that may help me?
Best,

0 Kudos
Reply
21,132 Views
MayanksPatel
NXP Employee
NXP Employee

Hi @0xEC,

Have you made any changes in ATF Firmware? If yes, Please share it here.

Please share the BSP version used.

 

Thanks,

Mayank s Patel

0 Kudos
Reply
21,124 Views
0xEC
Contributor IV
hi @MayanksPatel,
I did not change anything in ATF fw. My BSP version is 33.0 i think this one is latest BSP in nxp yocto distribution.
Best,
0 Kudos
Reply
21,071 Views
MayanksPatel
NXP Employee
NXP Employee

Hi @0xEC,

Sorry for taking a long time.

The u-boot start address will be taken from the variable "CONFIG_SYS_TEXT_BASE".

This is available in the board_defconfig file. 

The following changes you need to do in the u-boot to support the custom DDR.

1. Made changes in the DTS File for DDR memory.

2.modify CONFIG_SYS_TEXT_BASE variable according to your RAM Start Address.

 

Hope this helps you.

 

Thanks,

Mayank s Patel

0 Kudos
Reply