Desaturation Error

cancel
Showing results for 
Show  only  | Search instead for 
Did you mean: 

Desaturation Error

4,141 Views
chdingding
Contributor II

Hi,

I download the source code from NXP website,

so as to motor can be started,  at first  #define ADVANCE_ANGLE  FRAC16(0.4815), 

and another macro define :#define ADVANCE_ANGLE1 FRAC16(0.08),

when the motor speed reach the certain speed, i want to let the motor‘s speed much faster,so we will let advanceAngle decrease ,judge

if(advanceAngle>ADVANCE_ANGLE1)
   advanceAngle-=2;

when ADVANCE_ANGLE < 0.12 , GDUDSE ERR will appear.

i don't know where is wrong, and how to correct it.

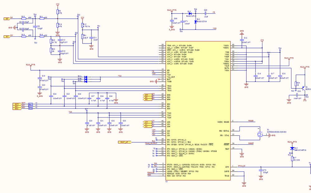
below figure is my Schematic,

pastedImage_6.png

pastedImage_5.png

Labels (1)
Tags (1)
0 Kudos
Reply
6 Replies

3,649 Views
pachamatej
NXP Employee
NXP Employee

Hello,

Since your issue cannot be experienced with our devKit/EVB, I assume it would be connected with your HW. Have you checked the drain-to-source voltage of the MOSFET indicating the desaturation? If it is below 1.4 V, then you would need to check the HD pin or phase pins for peaks or ringing. If that would be the case, you can try to adjust the blanking time or implement a HW filter (RC-filter) to these pins.

Best regards,

Matej

0 Kudos
Reply

3,649 Views
雪辰彭
Contributor I

I have the same problem as you. I download the source code(bldc) from NXP website,and modify the configuration as follows:

#define ADVANCE_ANGLE FRAC16(0.01) 

GDSLLS=7;

GDSLHS=7;

GDUCTR=0XBB;

Unfortunately,the GDUDSE error will appear as soon as advanceAngle is less than  FRAC16(0.12).Have you solved the problem?

0 Kudos
Reply

3,649 Views
chdingding
Contributor II

Sorry, I haven't solve this problem now, if i find the answer, i will write here.

0 Kudos
Reply

3,649 Views
alejandro_cervantes
NXP Employee
NXP Employee

Hello Chding,

Are you using our MTRCKTSBNZVM128 (BLDC) or MTRCKTSPNZVM128 (PMSM) software examples?

https://www.nxp.com/webapp/sps/download/preDownload.jsp 

What are the values of GDSLLS and GDSLHS registers?

Regards,

0 Kudos
Reply

3,649 Views
雪辰彭
Contributor I

Hello,

I have the same problem. I download the source code(bldc) from NXP website,and modify the configuration as follows:

#define ADVANCE_ANGLE FRAC16(0.01) 

GDSLLS=7;

GDSLHS=7;

GDUCTR=0XBB;

Unfortunately,the GDUDSE error will appear as soon as advanceAngle is less than  FRAC16(0.12).

Regards,

0 Kudos
Reply

3,649 Views
chdingding
Contributor II

Hi Jimenez,

Thank you for your reply! We using  MTRCKTSBNZVM128 (BLDC)  software examples, next is the source code of  GDU module configuration.

The values of GDSLLS and GDSLHS are 0x07,

Vdesatls = 1.40V


/*****************************************************************************
*
* Function: void initGDU(void)
*
* Description: GDU module configuration
*
*****************************************************************************/
void initGDU(void)
{
GDUE_GCPE = 1; // charge pump

GDUE_GCSE0 = 1; // enable Current Sense Amplifier 0

GDUF = 0xff; // Flag Register - clear all error flags

GDUBCL = 0x0F; // Set coil current limit to maximum 750mA

GDUCLK1_GBOCD = 0b10001; // Set boost frequency ~ 0.52MHz

GDUCLK1_GBODC = 0b11; // Set duty cycle to 75%

GDUE_GBOE = 1; // Enable boost

GDUCLK2_GCPCD = 2; // Fbus / 32

GDUCTR = 0x13;//0x13; // blanking time

GDUDSLVL = 0x77; // desat. level

GDUE_GFDE = 1; // enable FET pre-driver

GDUDSE = 0x77; // Clear Desaturation Error Flags
}

0 Kudos
Reply