Hello,
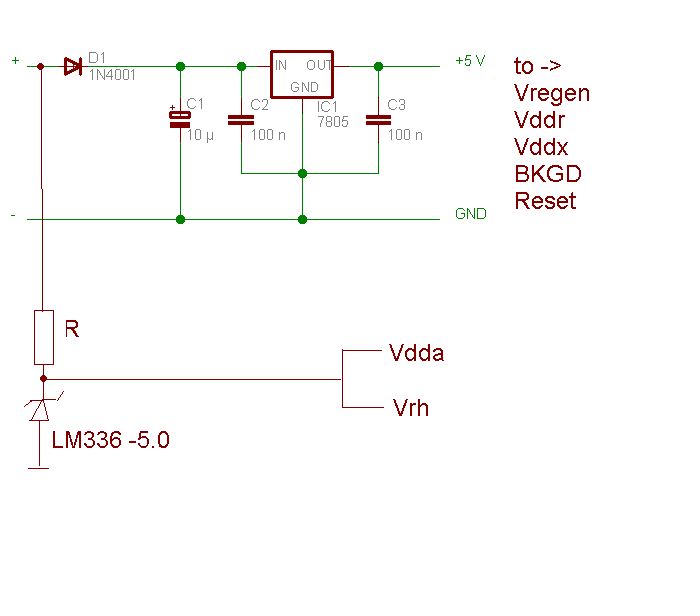
I want to use the ATD on the MC9S12D64 with an external reference voltage. I want to use the LM336-5.0 as a 5V reference voltage. It has an operating current up to 10mA. No i want to connect this voltage to the Vdda and the Vrh Pin, but I am not sure if this is possible. What is the highest current for these two Pins?
Is it the 2.5mA like the digital I/O's? Then i could use it this way, or not? I'm really new in building Hardware, so i would be very thankful for an answer.
Just if it is important: Vregen, Vddr,Vddx, BKGD and Reset i want to supply by a different voltageregulator.
This is what my Power supply looks like:


Sorry for my bad english. Thanks and regards,
Thomas